跳转到主要内容
瑞萨电子 (Renesas Electronics Corporation)

特性

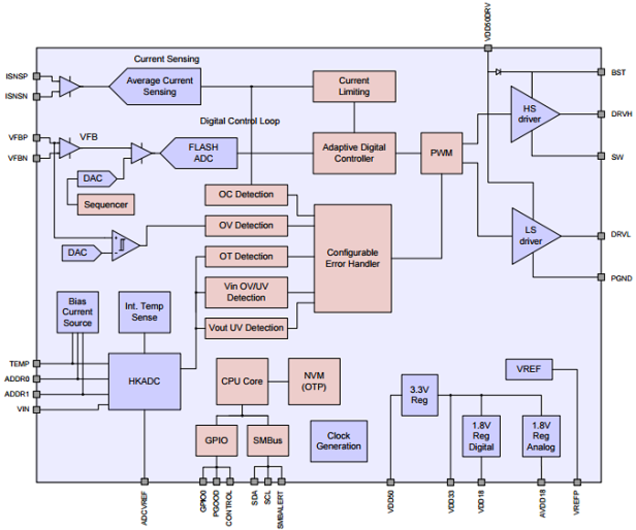
  • Programmable digital control loop
  • Advanced digital control techniques: Tru-sample Technology™, State-Law Control™ (SLC), and Sub-cycle Response™ (SCR)
  • Improved transient response and noise immunity
  • Protection features: over-current protection, over-voltage protection (VIN, VOUT), under-voltage protection (VIN, VOUT), overloaded startup, and restart and delay
  • Integrated MOSFET driver with adaptive anti-cross-conduction protection
  • Fuse-based NVM for improved reliability
  • Operation from a single 5V or 3.3V supply
  • Optional PMBus™ address selection without external resistors

描述

The ZSPM2000 is a configurable true-digital single-phase PWM controller for high-current, non-isolated DC/DC supplies. The ZSPM2000 includes a high-speed MOSFET driver for a synchronous step-down converter in a single-rail and single-phase con­figuration. The ZSPM2000 integrates a digital control loop, optimized for maximum flexibility and stability, as well as load step and steady-state performance. In addition, a rich set of protection and monitoring functions is provided. On-chip, non-volatile memory (NVM) and an I²C interface facilitate configuration. IDT’s PC-based Pink Power Designer™ graphical user interface (GUI) provides a user-friendly and easy-to-use interface to the device for communication and configuration. It can guide the user through the design of the digital compensator and offers intuitive configuration methods for additional features, such as protection and sequencing.

当前筛选条件