特性
- Flexible, programmable analog front-end design, up to 16-bit scalable, charge-balancing two-segment analog-to-digital converter (ADC)
- Fully programmable gain amplifier accepting sensors from 14 to 72 (linear factor)
- Internal auto-compensated temperature sensor
- Digital compensation of individual sensor offset
- 1st and 2nd order digital compensation of sensor gain as well as of 1st and 2nd order temperature gain and offset drift
- Fast sensing: 16-bit conditioned sensor signal measurement rate at more than 200s-1
- Typical sensor elements can achieve accuracy of better than ±0.10% full-scale output at -40 to 110°C
描述
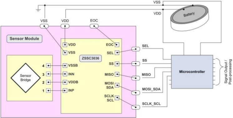
The ZSSC3036 is a sensor signal conditioner (SSC) integrated circuit for high-accuracy amplification and analog-to-digital conversion of a differential input signal. Designed for high-resolution altimeter module applications, the ZSSC3036 can perform offset, span, and 1st and 2nd order temperature compensation of the measured signal. Developed for correction of resistive bridge sensors, it can also provide a corrected temperature output measured with an internal sensor. The measured and corrected bridge values are provided at the digital output pins, which can be configured as I2C (≤ 3.4MHz) or SPI (≤ 20MHz). Digital compensation of signal offset, sensitivity, temperature, and non-linearity is accomplished via an 18-bit internal digital signal processor (DSP) run
产品参数
| 属性 | 值 |
|---|---|
| Function | Resistive SSC |
| Automotive Qual. | No |
| Supply Voltage (V) | 1.8 - 3.6 |
| Input Type | Single-bridge |
| Interface | I2C, SPI |
| Adj. Analog Gain | 13.2 - 72 |
| Resolution (bits) | 16 |
| Sample Rate Max (KHz) | 0.33 |
| Temp. Range (°C) | -40 to +85°C |
封装选项
| Pkg. Type |
|---|
| WAFER |
当前筛选条件
筛选
软件与工具
样例程序
模拟模型
A brief introduction and overview of IDT's (acquire by Renesas) sensor signal conditioner evaluation kits. Evaluation kits generally consist of three parts: a communication interface board, a device board, and a sensor simulator board - all connected together. A sophisticated software GUI accompanies the kit, enabling an engineer to learn how to use the part rapidly, do quick prototyping, and practice calibrations.
Presented by David Grice, applications engineer at IDT. For more information about IDT's sensor signal conditioner products, visit the Sensor Signal Conditioner page.