| CAD 模型: | View CAD Model |
| Pkg. Type: | VFQFPN |
| Pkg. Code: | NDG40 |
| Lead Count (#): | 40 |
| Pkg. Dimensions (mm): | 5.0 x 5.0 x 0.9 |
| Pitch (mm): | 0.4 |
| Moisture Sensitivity Level (MSL) | 1 |
| Pb (Lead) Free | Yes |
| ECCN (US) | EAR99 |
| HTS (US) | 8542.39.0090 |
| Pkg. Type | VFQFPN |
| Lead Count (#) | 40 |
| Carrier Type | Reel |
| Moisture Sensitivity Level (MSL) | 1 |
| Pkg. Dimensions (mm) | 5.0 x 5.0 x 0.9 |
| Pb (Lead) Free | Yes |
| Pb Free Category | e3 Sn |
| Temp. Range (°C) | -40 to 125°C |
| Country of Assembly | TAIWAN |
| Country of Wafer Fabrication | TAIWAN |
| Adj. Analog Gain | 1.32 - 540 |
| Automotive Qual. | No |
| Description | 13-inch Reel |
| Function | Resistive SSC |
| Input Type | Dual-bridge |
| Interface | UART (IO-Link), I2C, OWI, Absolute Voltage, Alarm, Current Loop |
| Length (mm) | 5 |
| MOQ | 2500 |
| Pitch (mm) | 0.4 |
| Price (USD) | $4.21534 |
| Qty. per Carrier (#) | 0 |
| Qty. per Reel (#) | 2500 |
| Qualification Level | Standard |
| Reel Size (in) | 13 |
| Resolution (bits) | 24 |
| Sample Rate Max (KHz) | 1.82 |
| Supply Voltage (V) | 1.8 - 5.5 |
| Tape & Reel | Yes |
| Thickness (mm) | 0.9 |
| Width (mm) | 5 |
| 已发布 | No |
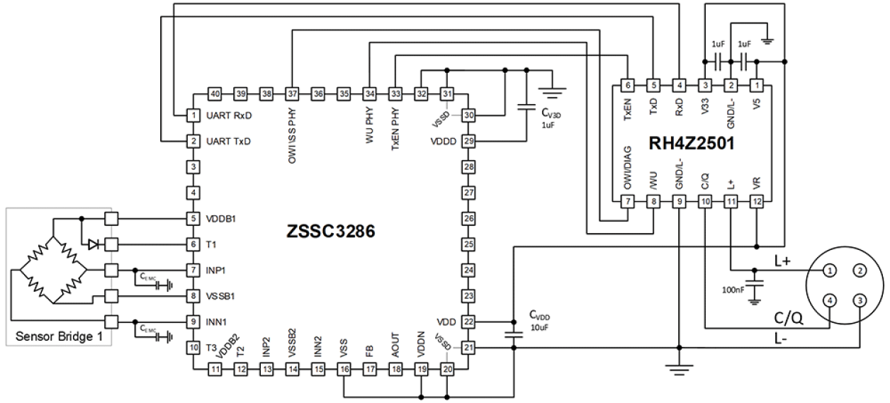
ZSSC3286 是一款双通道传感器信号调理 IC (SSC),用于对传感器信号进行高精度放大、数字化和传感器特定校正。 ZSSC3286带集成的 IO-Link 堆栈支持 IO-Link 连接,该堆栈运行用于数字测量和开关传感器的 IO-Link 智能传感器配置文件。 该器件适用于桥式和半桥传感器,以及外部电压源元件。 传感器的偏移、灵敏度、温度漂移和非线性度的数字补偿是通过基于 Arm® 的 32 位数学内核完成的,该内核通过存储在非易失性、可重新编程的存储器中的校准系数运行校正算法。 可编程的集成的传感器前端允许为广泛的应用优化使用各种传感器。