跳转到主要内容
瑞萨电子 (Renesas Electronics Corporation)

同步突发 SRAM

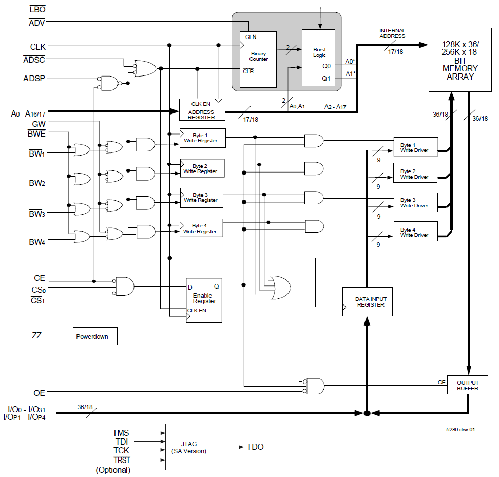
瑞萨电子同步突发式 SRAM 凭借先进功能,可提供卓越的速度和可靠性,以满足苛刻的系统设计要求。 突发模式简化了数据访问过程,而内部突发地址计数器通过接受来自处理器的初始地址来启动访问序列,从而简化了操作流程。 流水线输出数据确保在下一个时钟上升沿即准备好首周期输出,最大限度地减少了延迟。 由于融合以上特性,该类 SRAM 具备卓越的性能表现,成为前沿设计的理想之选。

支持

浏览文章

知识库

浏览我们的知识库,获取文章、常见问题解答及其他实用资源。
支持社区

支持社区

在线询问瑞萨电子工程社群的技术人员,快速获得技术支持。