跳转到主要内容
瑞萨电子 (Renesas Electronics Corporation)

特性

  • Electrically screened to DLA SMD# 5962-02511
  • QML qualified per MIL-PRF-38535 requirements
  • EH version is wafer-by-wafer acceptance tested to 50krad(Si) LDR
  • Oscillator frequency: 1MHz (max)
  • High output drive current: 1A peak (typ)
  • Low startup current: 300μA (max)
  • Undervoltage Lockout
  • Start threshold: 8.8V (max)
  • Stop threshold: 7.6V (min)
  • Hysteresis: 300mV (min)
  • Pulse-by-pulse current limiting
  • Programmable leading edge blanking
  • Radiation Hardness
  • High Dose Rate (HDR) (50-300rad(Si)/s): 300krad(Si)
  • Low Lose Rate (LDR) (0.01rad(Si)/s): 50krad(Si)
  • Latch-up immune (dielectrically isolated)
  • SEU immune: LET= 35MeV•cm2/mg

描述

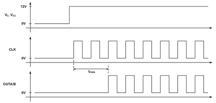
The IS-1825ASRH, IS-1825BSRH, IS-1825BSEH, ISL71823ASRH, and ISL71823BSRH are single event and total dose hardened pulse width modulators designed to be used in high-frequency switching power supplies in either voltage or current-mode configurations. These devices include a precision voltage reference, a low power start-up circuit, a high-frequency oscillator, a wide-band error amplifier, and a fast current-limit comparator. The IS-1825xSRH and IS-1825xSEH feature dual, alternating output operating from zero to less than 50% duty cycle, and the ISL71823xSRH features dual in-phase output operating from zero to less than 100% duty cycle. The B versions of the parts test the delay from clock out to PWM output switching after power has been applied to the modulator (tPWM). The SEH parts are wafer-by-wafer acceptance tested to 50krad(Si) at a low dose rate of <10mrad(Si)/s. Constructed with the Rad Hard Silicon Gate (RSG) dielectrically isolated BiCMOS process, these devices are immune to single-event latch-up and have been specifically designed to provide a high level of immunity to single-event transients. All specified parameters are established and tested for 300krad(Si) total dose performance. The devices are offered in a 16 Ld CDIP or a 20 Ld CDFP and fully specified to across the temperature range of -50 °C to +125 °C.

产品参数

属性
RatingSpace
Control ModeVoltage, Peak Current Mode
Phases (Max)2
No-Load Operating Current25 mA
Quiescent Current55µA
Supply Voltage (min) (V)12 - 12
Supply Voltage (max) (V)30 - 30
Switching Frequency (min) (kHz)10
Switching Frequency (max) (kHz)3000
TopologyBoost, Flyback, Forward, Full Bridge, Half Bridge, Push-Pull
VREF (V)5.1
Temp. Range (°C)-55 to +125°C
TID HDR (krad(Si))300
DSEE (MeV·cm2/mg)86.3
FlowRH Hermetic
Qualification LevelClass Q, Class V, EM, QML Class Q (Military), QML Class V (Space)
Die Sale Availability?Yes
PROTO Availability?Yes

封装选项

Pkg. TypePkg. Dimensions (mm)Lead Count (#)Pitch (mm)
CFP12.7 x 7.5 x 0.00201.3
DIE
PDS
SBDIP20.3 x 7.5 x 2.41162.5

应用

  • Voltage or current-mode switching power supplies
  • Control of high current MOSFET drivers
  • Motor speed and direction control

当前筛选条件