概览
描述
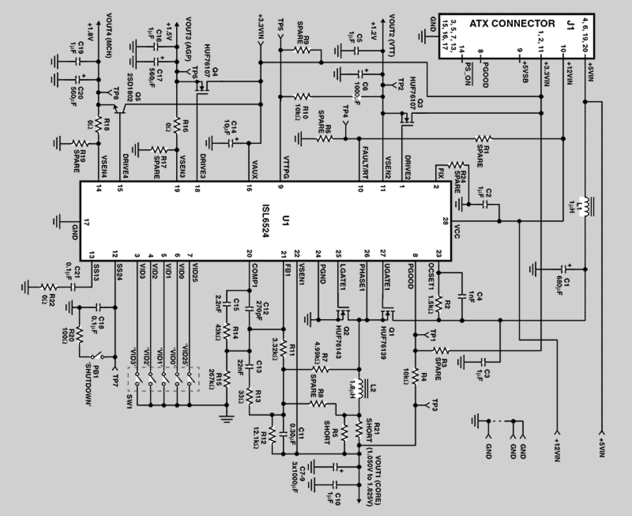
The ISL6524EVAL1 evaluation board is a 4-output regulator solution targeted at supplying power to the microprocessor core (1.05V - 1.825V), AGTL+ communication bus (1.2V), 4X AGP video (1.5V), and the ICH/MCH chip set core (1.8V).
The ISL6524 VRM8.5 PWM and triple linear power system controller provides the power control and protection for four output voltages in high-performance microprocessor and computer applications. The IC integrates one PWM controller and three linear controllers, as well as the monitoring and protection functions into a 28-pin SOIC package. The PWM controller regulates the microprocessor core voltage with a synchronous-rectified buck converter. One linear controller supplies the computer system's AGTL+ 1.2V bus power. The other two linear controllers regulate power for the 1.5V AGP bus and the 1.8V power for the chip set core voltage and/or cache memory circuits.
特性
- Provides four regulated voltages - Microprocessor core, AGTL+ bus, AGP bus power, and north/south bridge core
- Drives N-channel MOSFETs
- Linear regulator drives compatible with both MOSFET and bipolar series pass transistors
- Simple single-loop control design
- Fast PWM converter transient response
- Excellent output voltage regulation
- VRM8.5 TTL-compatible 5-bit DAC microprocessor core output voltage selection
- Power-good output voltage monitors
- Overcurrent fault monitor
应用
设计和开发
模型
ECAD 模块
点击产品选项表中的 CAD 模型链接,查找 SamacSys 中的原理图符号、PCB 焊盘布局和 3D CAD 模型。如果符号和模型不可用,可直接在 SamacSys 请求该符号或模型。
