跳转到主要内容
瑞萨电子 (Renesas Electronics Corporation)

特性

  • Provides 4 Regulated Voltages
  • Microprocessor Core, AGTL+ Bus, AGP Bus Power, and North/South Bridge Core
  • Drives N-Channel MOSFETs
  • Linear Regulator Drives Compatible with both MOSFET and Bipolar Series Pass Transistors
  • Simple Single-Loop Control Design
  • Voltage-Mode PWM Control
  • Fast PWM Converter Transient Response
  • High-Bandwidth Error Amplifier
  • Full 0% to 100% Duty Ratio
  • Excellent Output Voltage Regulation
  • Core PWM Output: ±1% Over Temperature
  • All Other Outputs: ±3% Over Temperature
  • VRM8.5 TTL-Compatible 5-Bit DAC Microprocessor Core Output Voltage Selection
  • Wide Range - 1.050V to 1.825V
  • Power-Good Output Voltage Monitors
  • Separate delayed VTT Power Good
  • Overcurrent Fault Monitor
  • Switching Regulator Doesn't Require Extra Current Sensing Element, Uses MOSFET's rDS(ON)
  • Small Converter Size
  • Constant Frequency Operation
  • 200kHz Internal Oscillator
  • Pb-Free Available (RoHS Compliant)

描述

Support is limited to customers who have already adopted these products.

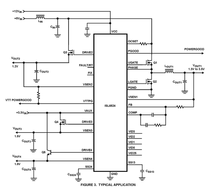
The ISL6524 provides the power control and protection for four output voltages in high-performance microprocessor and computer applications. The IC integrates one PWM controller and three linear controllers, as well as the monitoring and protection functions into a 28-pin SOIC package. The PWM controller regulates the microprocessor core voltage with a synchronous-rectified buck converter. One linear controller supplies the computer system's AGTL+ 1. 2V bus power. The other two linear controllers regulate power for the 1. 5V AGP bus and the 1. 8V power for the chip set core voltage and/or cache memory circuits. The ISL6524 includes an Intel VRM8. 5 compatible, TTL 5-input digital-to-analog converter (DAC) that adjusts the microprocessor core-targeted PWM output voltage from 1. 050V to 1. 825V in 25mV steps. The precision reference and voltage-mode control provide ±1% static regulation. The linear regulators use external N-channel MOSFETs or bipolar NPN pass transistors to provide fixed output voltages of 1. 2V ±3% (VOUT2), 1. 5V ±3% (VOUT3) and 1. 8V ±3% (VOUT4). The ISL6524 monitors all the output voltages. A delayedrising VTT (VOUT2 output) Power Good signal is issued before the core PWM starts to ramp up. Another system Power Good signal is issued when the core is within ±10% of the DAC setting and all other outputs are above their under- voltage levels. Additional built-in overvoltage protection for the core output uses the lower MOSFET to prevent output voltages above 115% of the DAC setting. The PWM controller's overcurrent function monitors the output current by using the voltage drop across the upper MOSFET's rDS(ON), eliminating the need for a current sensing resistor.

应用

  • Motherboard Power Regulation for Computers

当前筛选条件