跳转到主要内容
注意 - 建议使用以下设备作为替代品:

特性

  • 0.5 MICRON CMOS Technology
  • Guaranteed low skew < 500ps (max.)
  • Very low duty cycle distortion < 1.0ns (max.)
  • Very low CMOS power levels
  • TTL compatible inputs and outputs
  • Inputs can be driven from 3.3V or 5V components
  • Two independent output banks with 3-state control
  • 1:5 fanout per bank
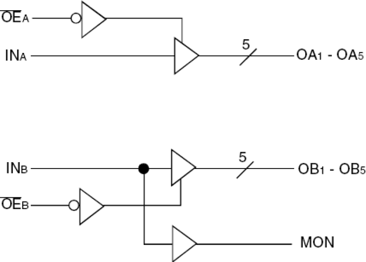
  • "Heartbeat" monitor output
  • VCC = 3.3V ± 0.3V
  • Available in SSOP, SOIC, and QSOP packages

描述

The FCT3805B is a 3.3 volt, non-inverting clock driver built using advanced dual metal CMOS technology. The device consists of two banks of drivers, each with a 1:5 fanout and its own output enable control. The device has a "heartbeat" monitor for diagnostics and PLL driving. The MON output is identical to all other outputs and complies with the output specifications in this document. The FCT3805B offers low capacitance inputs with hysteresis. The FCT3805B is designed for high speed clock distribution where signal quality and skew are critical. The FCT3805B also allows single point-to-point transmission line driving in applications such as address distribution, where one signal must be distributed to multiple receivers with low skew and high signal quality. For more information on using the FCT3805B with two different input frequencies on bank A and B, please see AN-236.

当前筛选条件