跳转到主要内容
瑞萨电子 (Renesas Electronics Corporation)

描述

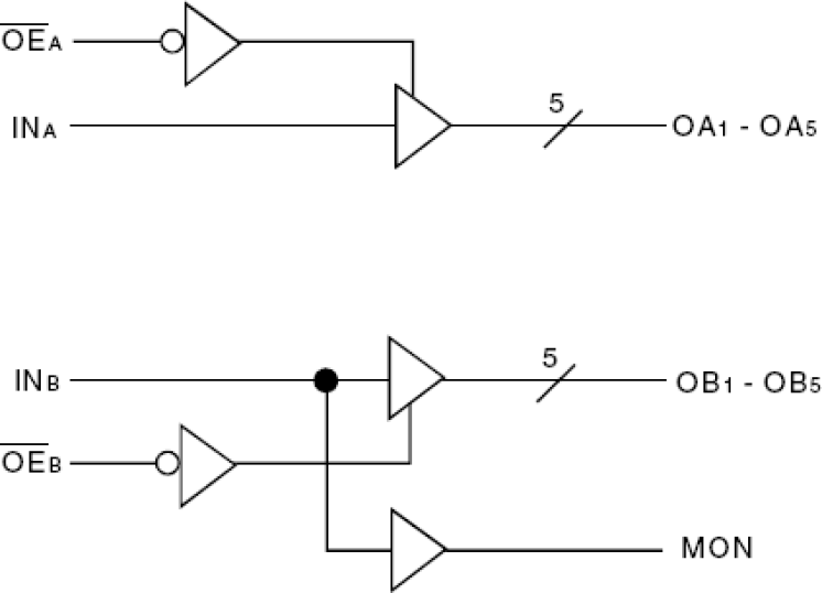
The FCT3805 is a 3.3 volt clock driver built using advanced CMOS technology. The device consists of two banks of drivers, each with a 1:5 fanout and its own output enable control. The device has a "heartbeat" monitor for diagnostics and PLL driving. The MON output is identical to all other outputs
and complies with the output specifications in this document. The FCT3805 offers low capacitance inputs.
The FCT3805 is designed for high speed clock distribution where signal quality and skew are critical. The FCT3805 also allows single point-to-point transmission line driving in applications such as address distribution, where one signal must be distributed to multiple receivers with low skew and high signal quality.

当前筛选条件