跳转到主要内容
瑞萨电子 (Renesas Electronics Corporation)

特性

  • Packaged as 28-pin SSOP (150 mil body)
  • Synchronizes fractional clocks rising edges
  • Pin configurable multiplication/division ratio
  • Slices frequency or period
  • SYNC pulse output indicates aligned edges
  • Input clock frequency of 600 kHz to 200 MHz
  • Output clock frequencies up to 160 MHz
  • Very low jitter
  • Duty cycle of 45/55 up to 160 MHz
  • Operating voltage of 3.3V
  • Pin selectable drive strength
  • Multiple outputs available when combined with fanout buffers
  • Industrial temperature version available
  • Pb (lead) free package

描述

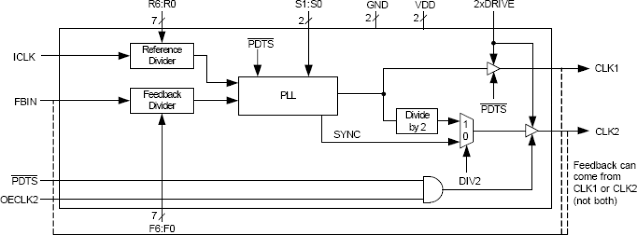
The 527-01 Clock Slicer is the most flexible way to generate an output clock from an input clock with zero skew. The user can easily configure the device to produce nearly any output clock that is multiplied or divided from the input clock. The part supports non-integer multiplications and divisions. A SYNC pulse indicates when the rising clock edges are aligned with zero skew. Using Phase-Locked Loop (PLL) techniques, the device accepts an input clock up to 200 MHz and produces an output clock up to 160 MHz. The 527-01 aligns rising edges on ICLK and FBIN at a ratio determined by the reference and feedback dividers. For configurable clocks that do not require zero delay, use the 525.

当前筛选条件