特性
- Up to four high-performance universal differential output pairs:
- Low RMS additive phase jitter: 0.2ps
- Four banks of internal non-volatile in-system programmable or factory programmable OTP memory
- I²C serial programming interface
- One additional LVCMOS output clock
- Four universal output pairs:
- Each configurable as one differential output pair or two LVCMOS outputs
- I/O standards:
- Single-ended I/Os: 1.8V to 3.3V LVCMOS
- Differential I/Os: LVPECL, LVDS, and HCSL
- Input frequency ranges:
- LVCMOS reference clock input (XIN/REF) – 1MHz to 200MHz
- LVDS, LVPECL, HCSL differential clock input (CLKIN, CLKINB) – 1MHz to 350MHz
- Crystal frequency range – 8MHz to 40MHz
- Individually selectable output voltage (1.8V, 2.5V, 3.3V) for each output pair
- Redundant clock inputs with manual switchover
- Programmable crystal load capacitance
- Individual output enable/disable
- Power-down mode
- 1.8V, 2.5V, or 3.3V core VDDD, VDDA
描述
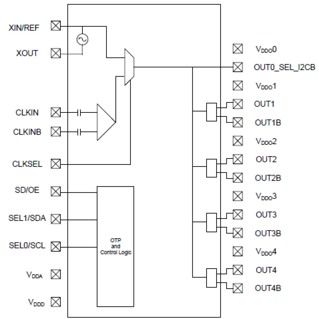
The 5P1105 is a programmable fanout buffer intended for high-performance consumer, networking, industrial, computing, and data communications applications. Configurations may be stored in on-chip One-Time Programmable (OTP) memory or changed using the I²C interface.
The outputs are generated from a single reference clock. The reference clock can come from one of the two redundant clock inputs. A glitchless manual switchover function allows one of the redundant clocks to be selected during normal operation. Two select pins allow up to four different configurations to be programmed and accessible using processor GPIOs or bootstrapping. The device is available in a 24-pin VFQFPN 4mm x 4mm package, with an industrial operating temperature range of -40 °C to +85 °C.
产品参数
属性 | 值 |
---|---|
Function | Buffer, Multiplexer |
Outputs (#) | 5 |
Output Type | LVCMOS, LVPECL, LVDS, HCSL |
Output Freq Range (MHz) | 1 - 350 |
Input Type | Crystal, LVCMOS, LVPECL, LVDS, HCSL |
Output Banks (#) | 5 |
Output Voltage (V) | 1.8, 2.5, 3.3 |
Output Skew (ps) | 35 |
Prog. Interface | I2C, Pin select |
封装选项
Pkg. Type | Pkg. Dimensions (mm) | Lead Count (#) | Pitch (mm) |
---|---|---|---|
VFQFPN | 4.0 x 4.0 x 0.9 | 24 | 0.5 |
应用
- Ethernet switch/router
- PCI Express 1.0/2.0/3.0
- Broadcast video/audio timing
- Multi-function printer
- Processor and FPGA clocking
- MSAN/DSLAM/PON
- Fiber Channel, SAN
- Telecom line cards
- 1 GbE and 10 GbE
筛选
软件与工具
样例程序
模拟模型
This video introduces the 5P1103 / 5P1105 Programmable Fanout Buffers, emphasizing their performance and flexibility. The video delves into their size, cost, and power efficiency, presenting a comprehensive analysis of these features.
Description
IDT's innovative support tool, Timing Commander™, expedites development cycles by empowering customers to program sophisticated timing devices with an intuitive and flexible Graphical User Interface. IDT's Timing Commander is a Windows™-based platform designed to serve user-friendly configuration interfaces, known as personalities, for various IDT products and product families. With a few simple clicks, the user is presented with a comprehensive, interactive block diagram offering the ability to modify desired input values, output values, and other configuration settings. The software automatically makes calculations, reports status monitors, and prepares register settings without the need to reference a datasheet. The tool also automatically loads the configuration settings over USB to an IDT evaluation board for immediate application in the circuit. Once the device has been configured and tuned for optimal system performance, the configuration file can be saved for factory-level programming before shipment. For more information about Timing Commander, visit our Timing Commander page.
Transcript
Narrator: In a data driven world, timing is everything. That's why more and more system design engineers are using products from the world leader in silicon timing, IDT. IDT has earned its reputation for excellence by providing a wide range of leading technologies for wireless and wired communications infrastructure, high performance computing, and advanced power management.
And with a product portfolio 10 times greater than the competition, IDT is uniquely qualified to be your one-stop-shop for timing solutions. IDT's innovative Windows-based software platform, Timing Commander, makes it easy to configure, program, and monitor all your sophisticated timing devices.
Steven: What's great about IDT's Timing Commander is that it helps you avoid tedious manageable configurations so you can focus on other areas of your design.
Narrator: IDT's Timing Commander serves up intuitive configuration interfaces or personalities for all of IDT's programmable timing products. With a few simple clicks, you can generate a comprehensive, interactive block diagram and modified desired input values, output values, and other configuration settings. The software also writes your settings over USB to an IDT evaluation board for immediate application in the circuit. It really is as easy as one, two, three.
Steven: The Timing Commander software automatically makes calculations, monitors status, and prepares register settings so you don't have to reference a data sheet. Built-in documentation is readily available. Just hover over a setting, and real time validation ensures that the configuration complies with data sheet specifications. Whether you're a first time user or an experienced engineer, Timing Commander offers you the right amount of control.
Narrator: To help you program complex devices more intuitively, Timing Commander's advanced features include the ability to create phase noise estimates, generate the schematic symbol and termination circuit and determine the optimal balance between performance and power consumption.
Steven: Once your devices are configured and tuned for optimal system performance, you can save the configuration files for factory-level programming prior to shipment.
Narrator: Timing Commander is just one example of the innovative timing solutions IDT delivers.
Peter: From simple fanout buffers and multiplexers to fully featured products like universal frequency translators, network synchronization devices, and VersaClock families, IDT has a wide range of products optimized for specific applications. You can also count on IDT for the lowest jitter and lowest power features to help you build the world class products your customers demand.
Narrator: It's time to put IDT timing solutions to work for your business, and with the power of Timing Commander software, it's easier than ever. To learn more, visit IDT online or give us a call today.
Description
新闻和博客
新闻
2015年5月1日
|