跳转到主要内容
瑞萨电子 (Renesas Electronics Corporation)

特性

  • Guaranteed low skew: 50ps (maximum)
  • Very low duty cycle distortion: 125ps (maximum)
  • Propagation delay: 1.75ns (maximum)
  • Up to 450MHz operation
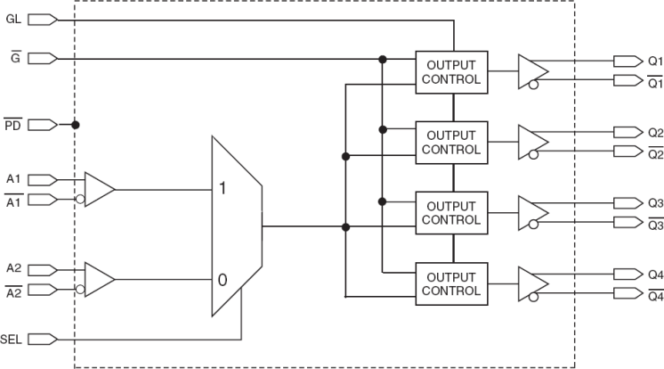
  • Selectable inputs
  • Hot insertable and over-voltage tolerant inputs
  • 3.3V/2.5V LVTTL, HSTL eHSTL, LVEPECL (2.5V), LVPECL (3.3V), CML or LVDS input interface
  • Selectable differential inputs to four LVDS outputs
  • 2.5V VDD
  • -40°C to 85°C ambient operating temperature
  • Available in lead-free (RoHS 6) package

描述

The 5T9304I differential clock buffer is a user-selectable differential input to four LVDS outputs. The fanout from a differential input to four LVDS outputs reduces loading on the preceding driver and provides an efficient clock distribution network. The 5T9304I can act as a translator from a differential HSTL, eHSTL, LVEPECL (2.5V), LVPECL (3.3V), CML, or LVDS input to LVDS outputs. A single-ended 3.3V / 2.5V LVTTL input can also be used to translate to LVDS outputs. The redundant input capability allows for an asynchronous change-over from a primary clock source to a secondary clock source. Selectable reference inputs are controlled by SEL. The 5T9304I outputs can be asynchronously enabled/disabled. When disabled, the outputs will drive to the value selected by the GL pin. Multiple power and grounds reduce noise.

当前筛选条件