跳转到主要内容
128K x 8 Dual-Port RAM

封装信息

CAD 模型:View CAD Model
Pkg. Type:TQFP
Pkg. Code:PN100
Lead Count (#):100
Pkg. Dimensions (mm):14.0 x 14.0 x 1.4
Pitch (mm):0.5

环境和出口类别

Pb (Lead) FreeNo
Moisture Sensitivity Level (MSL)3
ECCN (US)
HTS (US)

产品属性

Lead Count (#)100
Pb (Lead) FreeNo
Carrier TypeTray
Access Time (ns)15
ArchitectureDual-Port
Bus Width (bits)8
Core Voltage (V)5
Density (Kb)1024
FunctionBusy, Interrupt, Master, Semaphore, Slave
I/O Type5.0 V TTL
InterfaceAsync
Length (mm)14
MOQ48
Moisture Sensitivity Level (MSL)3
Organization128K x 8
Package Area (mm²)196
Pb Free Categorye0
Pitch (mm)0.5
Pkg. Dimensions (mm)14.0 x 14.0 x 1.4
Pkg. TypeTQFP
Qty. per Carrier (#)90
Qty. per Reel (#)0
Requires Terms and ConditionsDoes not require acceptance of Terms and Conditions
Tape & ReelNo
Temp. Range (°C)0 to 70°C
Thickness (mm)1.4
Width (mm)14
已发布No

描述

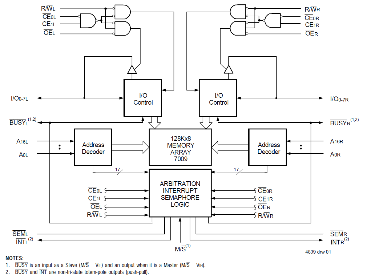
The 7009 is a high-speed 128K x 8 Dual-Port Static RAM designed to be used as a stand-alone 1M-bit Dual-Port RAM or as a combination MASTER/SLAVE Dual-Port RAM for 16-bit-or-more word systems. An automatic power down feature controlled by CE permits the on-chip circuitry of each port to enter a very low standby power mode.