跳转到主要内容
瑞萨电子 (Renesas Electronics Corporation)

特性

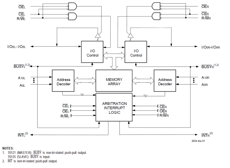
  • Fully asynchronous operation from either port
  • MASTER 70121 easily expands data bus width to 18 bits or more using SLAVE 70125 chip
  • On-chip port arbitration logic (70121 only)
  • BUSY output flag on Master
  • BUSY input on Slave
  • INT flag for port-to-port communication
  • Battery backup operation—2V data retention
  • TTL-compatible, signal 5V (±10%) power supply
  • Available in 52-pin PLCC
  • Industrial temperature range (–40C to +85C) is available for selected speeds
  • Green parts available, see ordering information

描述

The 70121 is a high-speed 2K x 9 Dual-Port Static RAM designed to be used as a stand-alone 9-bit Dual- Port RAM or as a "MASTER" Dual-Port RAM together with the 70125 "SLAVE" Dual-Port in 18-bit-or-more word width systems. Using the IDT MASTER/SLAVE Dual-Port RAM approach in 18-bit-or-wider memory system applications results in full-speed, error-free operation without the need for additional discrete logic. An automatic power-down feature, controlled by CE, permits the on-chip circuitry of each port to enter a very low standby power mode.

当前筛选条件