跳转到主要内容
2K x 9 Dual-Port RAM

封装信息

CAD 模型:View CAD Model
Pkg. Type:PLCC
Pkg. Code:PL52
Lead Count (#):52
Pkg. Dimensions (mm):19.0 x 19.0 x 3.63
Pitch (mm):1.27

环境和出口类别

Pb (Lead) FreeNo
Moisture Sensitivity Level (MSL)3
ECCN (US)
HTS (US)

产品属性

Lead Count (#)52
Pb (Lead) FreeNo
Carrier TypeTube
Access Time (ns)35
ArchitectureDual-Port
Bus Width (bits)9
Core Voltage (V)5
Density (Kb)18
FunctionBusy, Interrupt, Slave
I/O Type5.0 V TTL
InterfaceAsync
Length (mm)19
MOQ48
Moisture Sensitivity Level (MSL)3
Organization2K x 9
Package Area (mm²)361
Pb Free Categorye0
Pitch (mm)1.27
Pkg. Dimensions (mm)19.0 x 19.0 x 3.63
Pkg. TypePLCC
Qty. per Carrier (#)24
Qty. per Reel (#)0
Requires Terms and ConditionsDoes not require acceptance of Terms and Conditions
Tape & ReelNo
Temp. Range (°C)-40 to 85°C
Thickness (mm)3.63
Width (mm)19
已发布No

描述

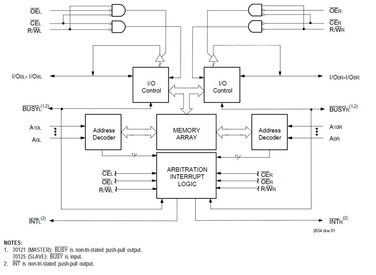
The 70125 is a high-speed 2K x 9 Dual-Port Static RAM designed to be used as a "SLAVE" Dual-Port together with the 70121 "MASTER" in 18-bit-or-more word width systems. Using the IDT MASTER/SLAVE Dual-Port RAM approach in 18-bit-or-wider memory system applications results in full-speed, error-free operation without the need for additional discrete logic. An automatic power-down feature, controlled by CE, permits the on-chip circuitry of each port to enter a very low standby power mode.