跳转到主要内容
瑞萨电子 (Renesas Electronics Corporation)
替代产品
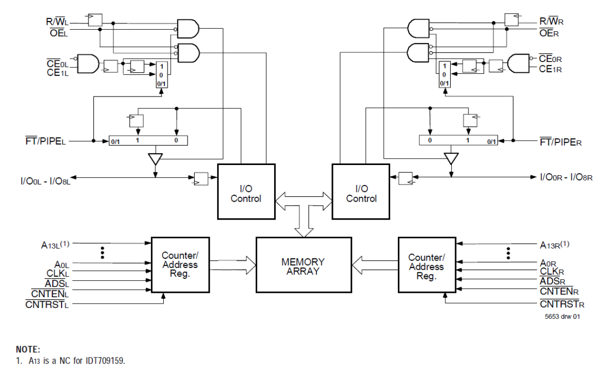
709169 - 16K X 9 DP SRAM
  • Notes:Larger density

特性

  • Dual-Port allows simultaneous access of the same memory location
  • Flow-Through or Pipelined output mode on either Port via the FT/PIPE pins
  • Counter enable and reset features
  • Dual chip enables allow for depth expansion without additional logic
  • TTL- compatible, single 5V (±10%) power supply
  • Available in 100-pin TQFP and fpBGA packages
  • Industrial temperature range (–40C to +85C) is available

描述

The 709159 is a high-speed 8K x 9 bit synchronous Dual-Port SRAM that has been optimized for applications having unidirectional data flow or bi-directional data flow in bursts, by utilizing input data registers. The 709159 utilizes a 9-bit wide data path to allow for parity which is useful in data communication applications where it is necessary to use a parity bit for transmission/ reception error checking. An automatic power down feature, controlled by CE, permits the on-chip circuitry of each port to enter a very low standby power mode.

当前筛选条件