跳转到主要内容
瑞萨电子 (Renesas Electronics Corporation)
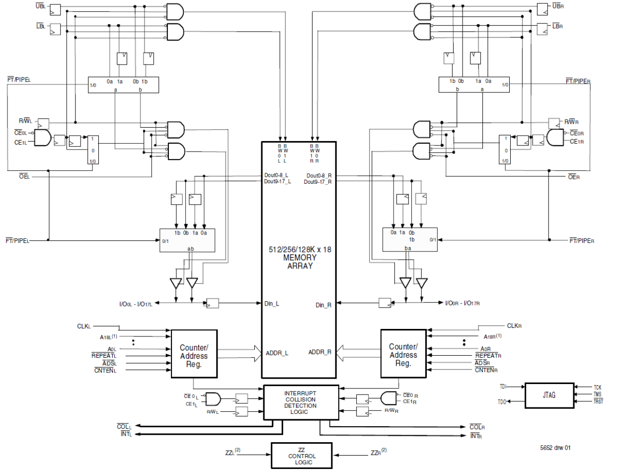
128K x 18 Sync, 3.3V/2.5V Dual-Port RAM, Interleaved I/O's

封装信息

CAD 模型:View CAD Model
Pkg. Type:CABGA
Pkg. Code:BC256
Lead Count (#):256
Pkg. Dimensions (mm):17.0 x 17.0 x 1.4
Pitch (mm):1

环境和出口类别

Pb (Lead) FreeNo
Moisture Sensitivity Level (MSL)4
ECCN (US)
HTS (US)

产品属性

Lead Count (#)256
Pb (Lead) FreeNo
Carrier TypeTray
ArchitectureDual-Port
Bus Width (bits)18
Core Voltage (V)2.5
Density (Kb)2304
FunctionCollision Detect, Counters, Dual Clocks, Interrupt, JTAG, Sleep Mode
I/O Frequency (MHz)200 - 200
I/O Type2.5 V LVTTL, 3.3 V LVTTL
InterfaceSync
Length (mm)17
MOQ24
Moisture Sensitivity Level (MSL)4
Organization128K x 18
Output TypeFlowthrough, Pipelined
Package Area (mm²)289
Pb Free Categorye0
Pitch (mm)1
Pkg. Dimensions (mm)17.0 x 17.0 x 1.4
Pkg. TypeCABGA
Price (USD)$168.09458
Qty. per Carrier (#)90
Qty. per Reel (#)0
Requires Terms and ConditionsDoes not require acceptance of Terms and Conditions
Tape & ReelNo
Temp. Range (°C)0 to 70°C
Thickness (mm)1.4
Width (mm)17

描述

The 70T3399 is a high-speed 128K x 18 bit synchronous Dual-Port RAM that has been optimized for applications having unidirectional or bidirectional data flow in bursts. An automatic power down feature, controlled by CE0 and CE1, permits the on-chip circuitry of each port to enter a very low standby power mode. The 70T3399 can support an operating voltage of either 3.3V or 2.5V on one or both ports, controllable by the OPT pins. The power supply for the core of the device (VDD) is at 2.5V.