跳转到主要内容
瑞萨电子 (Renesas Electronics Corporation)

特性

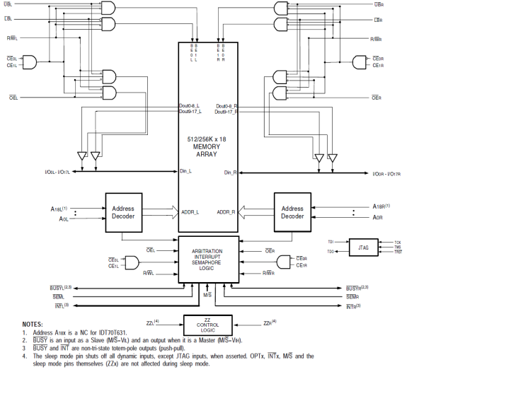
  • Dual-Port allows simultaneous access of the same memory location
  • RapidWrite Mode simplifies high-speed consecutive write cycles
  • Dual chip enables allow for depth expansion without external logic
  • Easily expands data bus width to 36 bits or more using the Master/Slave select when cascading more than one device
  • Busy and Interrupt Flags
  • On-chip port arbitration logic
  • Full hardware support of semaphore signaling between ports on-chip
  • Fully asynchronous operation from either port
  • Separate byte controls for multiplexed bus and bus matching compatibility
  • Sleep Mode Inputs on both ports
  • Includes JTAG functionality
  • Single 2.5V (±100mV) power supply for core
  • LVTTL-compatible, selectable 3.3V (±150mV)/2.5V (±100mV) power supply for I/Os and control signals on each port
  • Available in a 256-ball BGA and 208-ball fpBGA
  • Industrial temperature range (–40C to +85C) is available

描述

The 70T631 is a high-speed 256K x 18 Asynchronous Dual-Port Static RAM designed to be used as a stand-alone Dual-Port RAM or as a combination MASTER/ SLAVE Dual-Port RAM for 36-bit-or-more word system which would result in full-speed, error-free operation without the need for additional discrete logic. An automatic power down feature controlled by the chip enables (either CE0 or CE1) permit the on-chip circuitry of each port to enter a very low standby power mode.

当前筛选条件