| CAD 模型: | View CAD Model |
| Pkg. Type: | TQFP |
| Pkg. Code: | PN100 |
| Lead Count (#): | 100 |
| Pkg. Dimensions (mm): | 14.0 x 14.0 x 1.4 |
| Pitch (mm): | 0.5 |
| Pb (Lead) Free | No |
| Moisture Sensitivity Level (MSL) | 3 |
| ECCN (US) | |
| HTS (US) |
| Lead Count (#) | 100 |
| Pb (Lead) Free | No |
| Carrier Type | Tray |
| Moisture Sensitivity Level (MSL) | 3 |
| Access Time (ns) | 55 |
| Architecture | Dual-Port |
| Bus Width (bits) | 16 |
| Core Voltage (V) | 3.3 |
| Density (Kb) | 256 |
| Function | Busy, Interrupt, Master, Semaphore, Slave |
| I/O Type | 3.3 V LVTTL |
| Interface | Async |
| Length (mm) | 14 |
| MOQ | 90 |
| Organization | 16K x 16 |
| Package Area (mm²) | 196 |
| Pb Free Category | e0 |
| Pitch (mm) | 0.5 |
| Pkg. Dimensions (mm) | 14.0 x 14.0 x 1.4 |
| Pkg. Type | TQFP |
| Qty. per Carrier (#) | 90 |
| Qty. per Reel (#) | 0 |
| Requires Terms and Conditions | Does not require acceptance of Terms and Conditions |
| Tape & Reel | No |
| Temp. Range (°C) | 0 to 70°C |
| Thickness (mm) | 1.4 |
| Width (mm) | 14 |
| 已发布 | No |
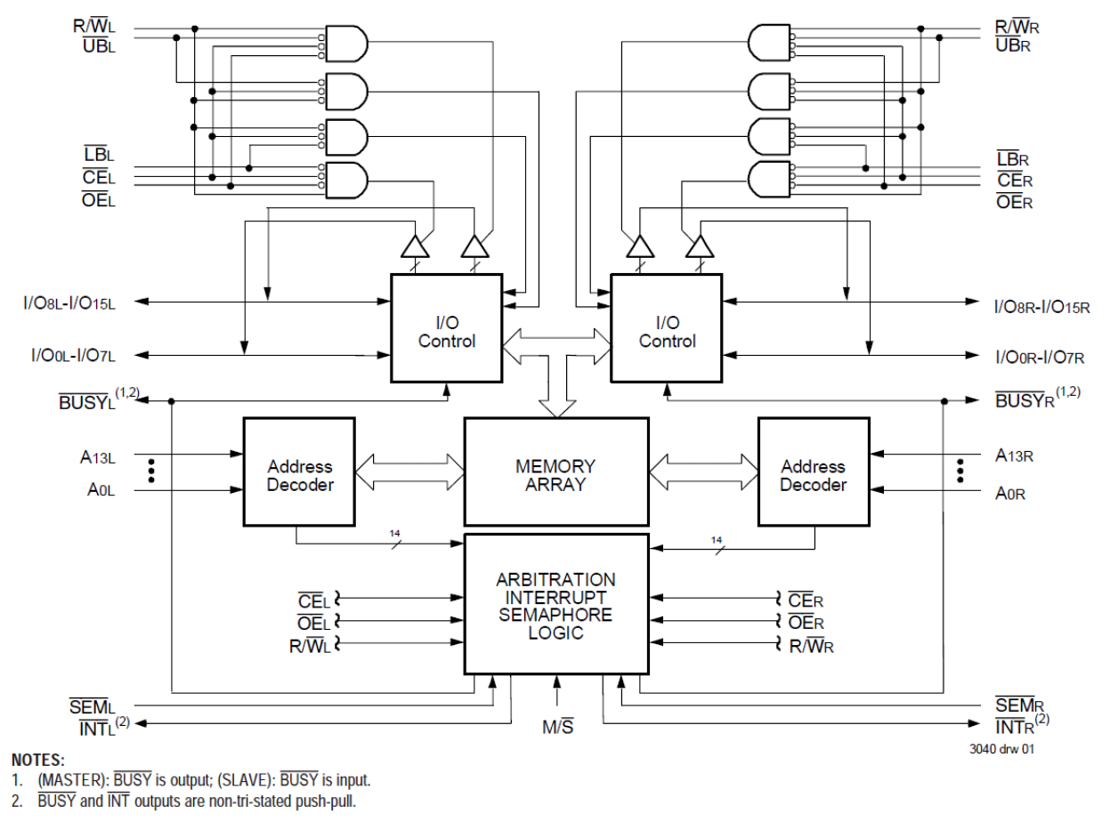
The 70V261 is a high-speed 16K x 16 Dual-Port Static RAM designed to be used as a stand-alone Dual-Port RAM or as a combination MASTER/SLAVE Dual-Port RAM for 32-bit or wider memory system applications resulting in full speed, error-free operation without the need for additional discrete logic. An automatic power down feature controlled by CE permits the on-chip circuitry of each port to enter a very low standby power mode.