跳转到主要内容
瑞萨电子 (Renesas Electronics Corporation)

特性

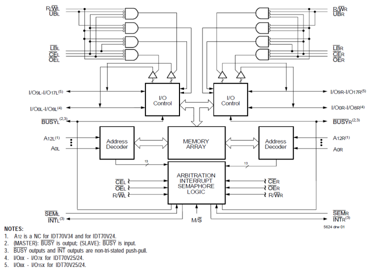
  • True Dual-Ported memory cells which allow simultaneous reads of the same memory location
  • Separate upper-byte and lower-byte control for multiplexed bus compatibility
  • 70V35 easily expands data bus width to 36 bits (32 bits) or more
  • BUSY and Interrupt Flag
  • On-chip port arbitration logic
  • Full on-chip hardware support of semaphore signaling between ports
  • Fully asynchronous operation from either port
  • LVTTL-compatible, single 3.3V (±0.3V) power supply
  • Available in a 100-pin TQFP package
  • Industrial temperature range (-40C to +85C) is available

描述

The 70V35 is a high-speed 8K x 18 Dual-Port Static RAM designed to be used as a stand-alone Dual-Port RAM or as a combination MASTER/SLAVE Dual-Port RAM for 36-bit or wider memory system applications results in full-speed, error-free operation without the need for additional discrete logic. An automatic power down feature controlled by CE permits the on-chip circuitry of each port to enter a very low standby power mode.

当前筛选条件