| CAD 模型: | View CAD Model |
| Pkg. Type: | TQFP |
| Pkg. Code: | PN100 |
| Lead Count (#): | 100 |
| Pkg. Dimensions (mm): | 14.0 x 14.0 x 1.4 |
| Pitch (mm): | 0.5 |
| Pb (Lead) Free | No |
| Moisture Sensitivity Level (MSL) | 3 |
| ECCN (US) | |
| HTS (US) |
| Lead Count (#) | 100 |
| Pb (Lead) Free | No |
| Carrier Type | Tray |
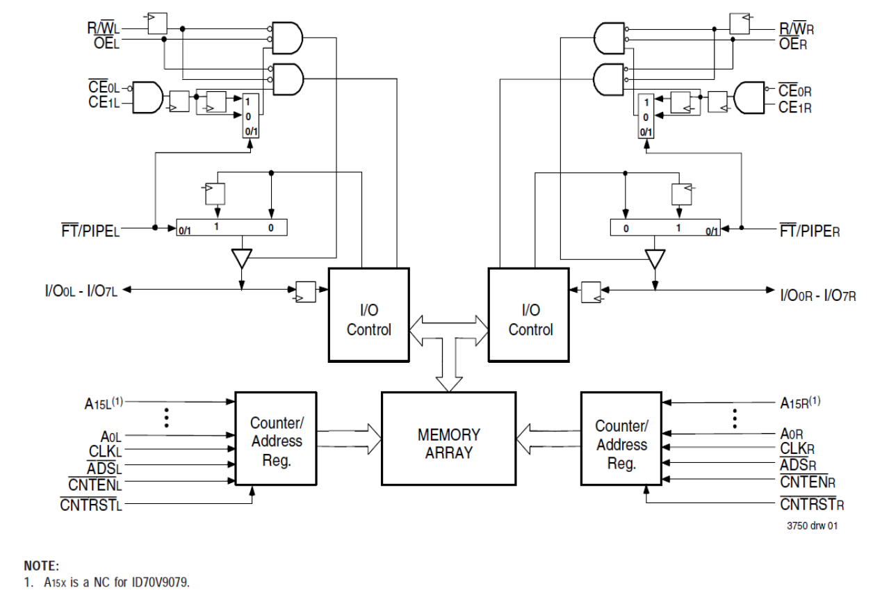
| Architecture | Dual-Port |
| Bus Width (bits) | 18 |
| Core Voltage (V) | 3.3 |
| Density (Kb) | 576 |
| Function | Counters, Dual Clocks |
| I/O Frequency (MHz) | 67 - 67 |
| I/O Type | 3.3 V LVTTL |
| Interface | Sync |
| Length (mm) | 14 |
| MOQ | 96 |
| Moisture Sensitivity Level (MSL) | 3 |
| Organization | 32K x 18 |
| Output Type | Flowthrough, Pipelined |
| Package Area (mm²) | 196 |
| Pb Free Category | e0 |
| Pitch (mm) | 0.5 |
| Pkg. Dimensions (mm) | 14.0 x 14.0 x 1.4 |
| Pkg. Type | TQFP |
| Qty. per Carrier (#) | 90 |
| Qty. per Reel (#) | 0 |
| Requires Terms and Conditions | Does not require acceptance of Terms and Conditions |
| Tape & Reel | No |
| Temp. Range (°C) | -40 to 85°C |
| Thickness (mm) | 1.4 |
| Width (mm) | 14 |
| 已发布 | No |
The 70V9099 is a high-speed 128K x 8 bit synchronous Dual-Port RAM that has been optimized for applications having unidirectional or bidirectional data flow in bursts. An automatic power down feature, controlled by CE0 and CE1, permits the on-chip circuitry of each port to enter a very low standby power mode.