跳转到主要内容
2K x 16 Dual-Port RAM

封装信息

CAD 模型: View CAD Model
Pkg. Type: PGA
Pkg. Code: GU68
Lead Count (#): 68
Pkg. Dimensions (mm): 29.46 x 29.46 x 3.68
Pitch (mm): 2.54

环境和出口类别

Pb (Lead) Free No
Moisture Sensitivity Level (MSL) 1
ECCN (US)
HTS (US)

产品属性

Lead Count (#) 68
Pb (Lead) Free No
Carrier Type Tray
Moisture Sensitivity Level (MSL) 1
Access Time (ns) 20
Architecture Dual-Port
Bus Width (bits) 16
Core Voltage (V) 5
Density (Kb) 32
Function Busy, Slave
I/O Type 5.0 V TTL
Interface Async
Length (mm) 29.46
MOQ 9
Organization 2K x 16
Package Area (mm²) 867.9
Pb Free Category e0
Pitch (mm) 2.54
Pkg. Dimensions (mm) 29.46 x 29.46 x 3.68
Pkg. Type PGA
Qty. per Carrier (#) 21
Qty. per Reel (#) 0
Requires Terms and Conditions Does not require acceptance of Terms and Conditions
Tape & Reel No
Temp. Range (°C) 0 to 70°C
Thickness (mm) 3.68
Width (mm) 29.46
已发布 No

描述

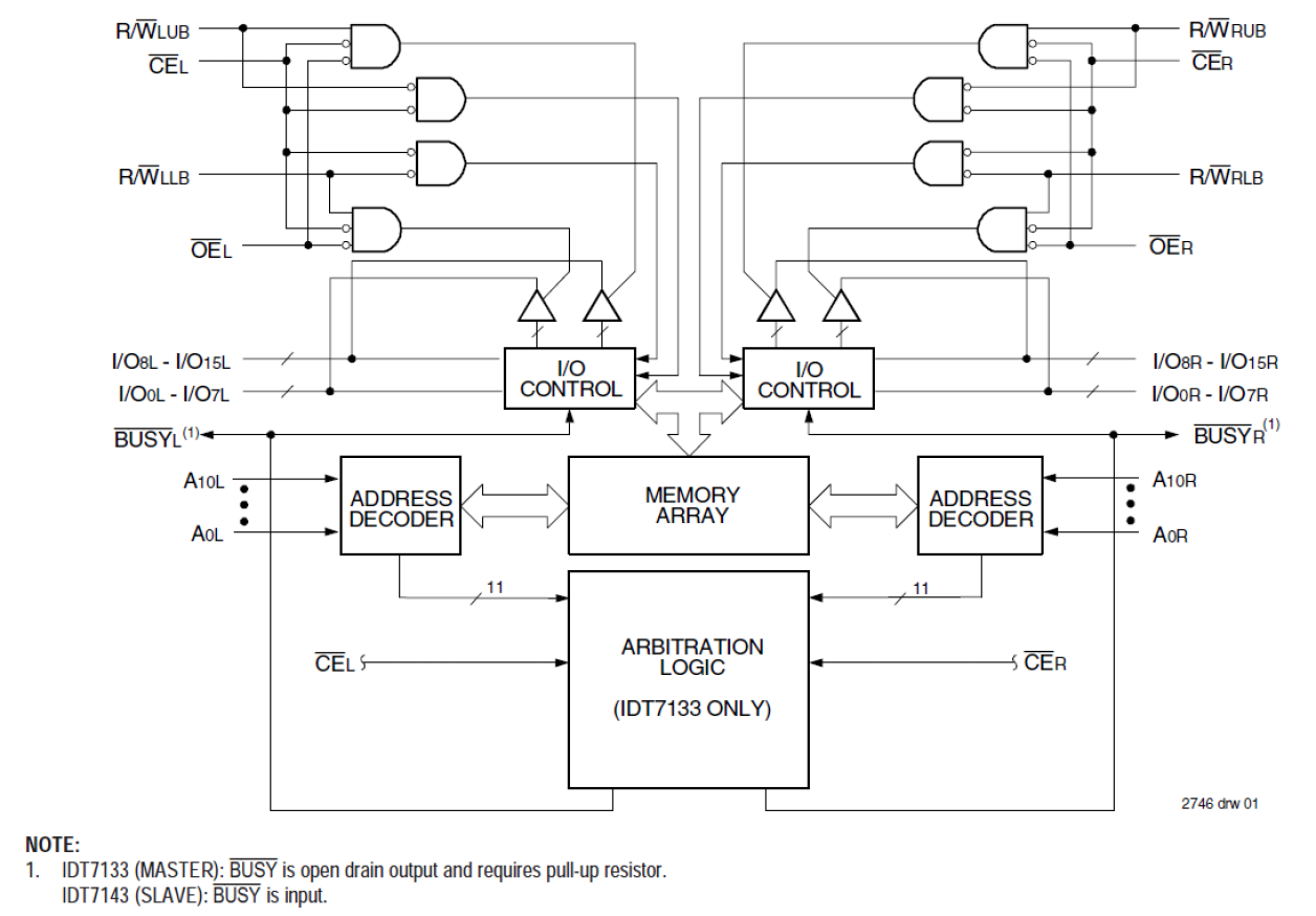
The 7143 is a high-speed 2K x 16 Dual-Port Static RAMs. Using the IDT MASTER/SLAVE Dual-Port RAM approach in 32-bit-or-wider memory system applications results in full-speed, error-free operation without the need for additional discrete logic. Military grade product in compliance with MIL-PRF-38535 QML is available.