跳转到主要内容
瑞萨电子 (Renesas Electronics Corporation)

特性

  • High system speed 166MHz (3.5ns clock access time)
  • LBO input selects interleaved or linear burst mode
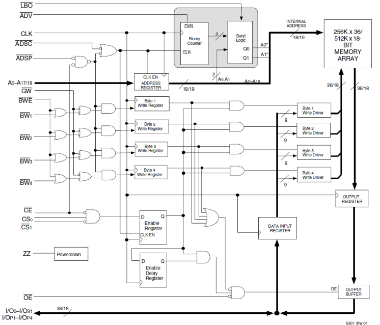
  • Self-timed write cycle with global write control (GW), byte write enable (BWE), and byte writes (BWx)
  • 3.3V core power supply
  • Power down controlled by ZZ input
  • 3.3V I/O supply (VDDQ)
  • Available in 100-pin TQFP, 119-pin BGA and 165 fpBGA packages

描述

The 71V67803 3.3V CMOS SRAM is organized as 512K x 18. The 71V67803 SRAM contains write, data, address and control registers. The burst mode feature offers the highest level of performance to the system designer, as it can provide four cycles of data for a single address presented to the SRAM.

当前筛选条件