跳转到主要内容
瑞萨电子 (Renesas Electronics Corporation)

特性

  • Free-running clock lines for each port
  • IDT Standard timing
  • Empty and Full flag functions
  • Programmable Almost-Empty and Almost-Full flags
  • Bus sizing of 18-bits (word) and 9-bits (byte)
  • Byte order swapping on ports B and C
  • Passive parity checking on ports A and C
  • Parity generation can be selected for ports A and B
  • Master Reset clears data and configures FIFO
  • Width can be easily expanded by adding FIFOs
  • Auto power down minimizes power dissipation
  • Available in 128-pin TQFP package
  • Industrial temperature range (–40oC to +85oC) is available

描述

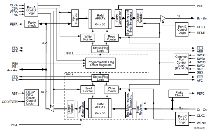
The 723616 is a 64 x 36 x 2 Triple Bus SyncFIFO memory which supports clock frequencies up to 67 MHz and has read access times as fast as 10 ns. Two independent 64 x 36 dual-port SRAM FIFOs on board each chip buffer data between a bidirectional 36-bit bus and two unidirectional 18-bit buses. The enables for each port are arranged to provide a simple bidirectional interface between microprocessors and/or buses controlled by a synchronous interface.

当前筛选条件