跳转到主要内容
瑞萨电子 (Renesas Electronics Corporation)

特性

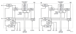
  • Equivalent to two 7204 4K x 9 FIFOs
  • Asynchronous and simultaneous read and write
  • Status Flags: Empty, Half-Full, Full
  • Auto-retransmit capability
  • Available in 56 pin TSSOP
  • Industrial temperature range (–40C to +85C) is available

描述

The 7284 is a dual-FIFO memory that loads and empties data on a first-in/first-out basis. It utilizes a 9-bit wide data array to allow for control and parity bits at the user's option. This is useful in data communications applications where a parity bit is needed for transmission/reception error checking. It is designed for those applications requiring asynchronous and simultaneous read/writes in multiprocessing and rate buffer applications.

当前筛选条件