跳转到主要内容
瑞萨电子 (Renesas Electronics Corporation)

特性

  • Supports clock frequencies up to 83 MHz
  • Fast access times of 8 ns
  • Free-running CLKA and CLKB can be asynchronous or coincident
  • Mailbox bypass Register for each FIFO
  • Dynamic Port B bus sizing of 36 bits (long word), 18 bits (word), and 9 bits (byte)
  • Three modes of byte-order swapping on port B
  • Programmable Almost-Full and Almost-Empty flags
  • Passive parity checking on each port
  • Available in 120-pin TQFP packages

描述

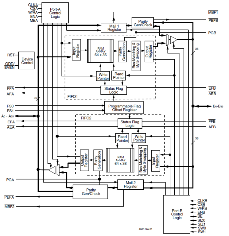
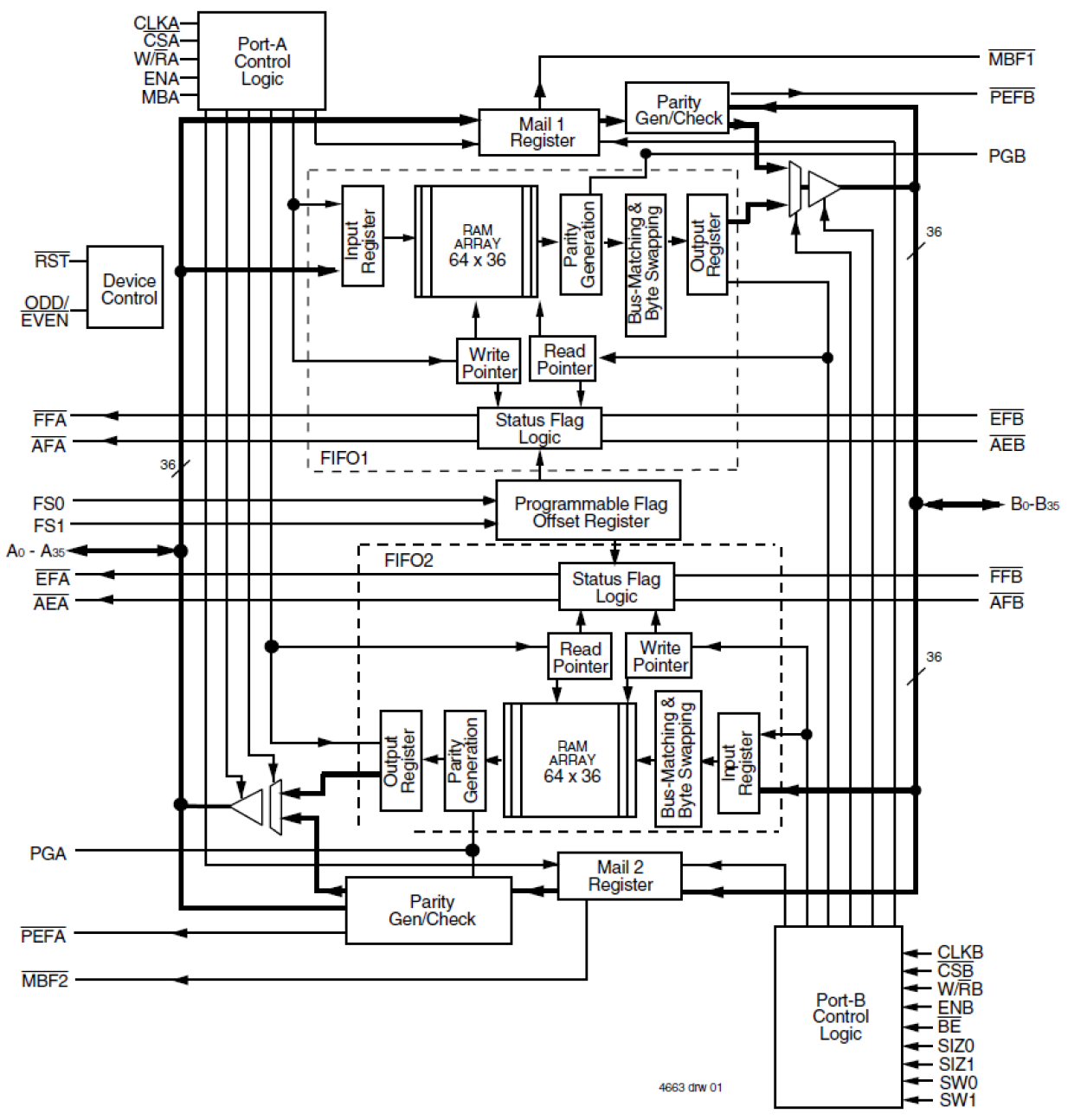
The 72V3614 is a 3.3V version of the 723614. Two independent 64 x 36 dual-port SRAM FIFOs on board the chip buffer data in opposite directions. Communication between each port can bypass the FIFOs via two 36-bit mailbox registers. Each mailbox register has a flag to signal when new mail has been stored.

当前筛选条件