跳转到主要内容
256 x 36 SyncFIFO, 3.3V

封装信息

CAD 模型:View CAD Model
Pkg. Type:TQFP
Pkg. Code:PK128
Lead Count (#):128
Pkg. Dimensions (mm):20.0 x 14.0 x 1.4
Pitch (mm):0.5

环境和出口类别

Pb (Lead) FreeNo
Moisture Sensitivity Level (MSL)3
ECCN (US)
HTS (US)

产品属性

Lead Count (#)128
Pb (Lead) FreeNo
Carrier TypeReel
ArchitectureUni-directional
Bus Width (bits)36
Core Voltage (V)3.3
Density (Kb)9
Family NameSyncFIFO
FunctionBus Matching
I/O Frequency (MHz)100 - 100
I/O Type3.3 V LVTTL
InterfaceSynchronous
Length (mm)20
MOQ1000
Moisture Sensitivity Level (MSL)3
Organization256 x 36
Package Area (mm²)280
Pb Free Categorye0
Pitch (mm)0.5
Pkg. Dimensions (mm)20.0 x 14.0 x 1.4
Pkg. TypeTQFP
Qty. per Carrier (#)0
Qty. per Reel (#)1000
Reel Size (in)13
Requires Terms and ConditionsDoes not require acceptance of Terms and Conditions
Tape & ReelYes
Temp. Range (°C)0 to 70°C
Thickness (mm)1.4
Width (mm)14
已发布No

描述

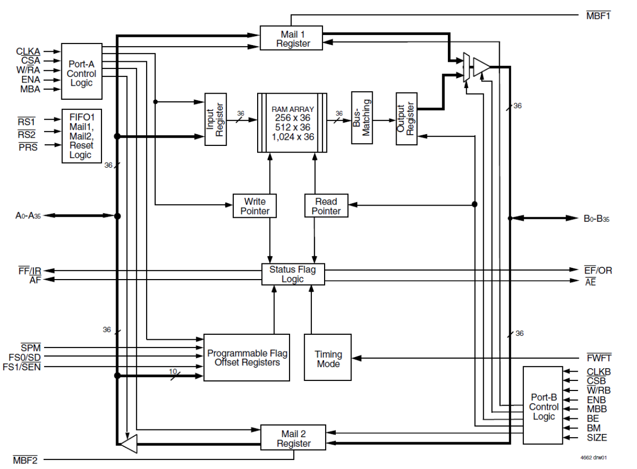
The 72V3623 is a 256 x 36 Sync FIFO that is a 3.3V version of the 723623. The clocks for each port are independent of one another and can be asynchronous or coincident. The enables for each port are arranged to provide a simple bidirectional interface between microprocessors and/or buses with synchronous control. Communication between each port may bypass the FIFO via two mailbox registers. These devices can operate in the IDT Standard mode word or First Word Fall Through mode.