跳转到主要内容
2K x 36 x 2 SyncBiFIFO, 3.3V

封装信息

CAD 模型: View CAD Model
Pkg. Type: TQFP
Pkg. Code: PN120
Lead Count (#): 120
Pkg. Dimensions (mm): 14.0 x 14.0 x 1.4
Pitch (mm): 0.4

环境和出口类别

Pb (Lead) Free No
Moisture Sensitivity Level (MSL) 3
ECCN (US)
HTS (US)

产品属性

Pkg. Type TQFP
Lead Count (#) 120
Pb (Lead) Free No
Carrier Type Reel
Architecture Bi-directional
Bus Width (bits) 36
Core Voltage (V) 3.3
Density (Kb) 144
Family Name SyncBiFIFO
Function Mailbox
I/O Frequency (MHz) 66 - 66
I/O Type 3.3 V LVTTL
Interface Synchronous
Length (mm) 14
MOQ 750
Moisture Sensitivity Level (MSL) 3
Organization 2K x 36 x 2
Package Area (mm²) 196
Pb Free Category e0
Pitch (mm) 0.4
Pkg. Dimensions (mm) 14.0 x 14.0 x 1.4
Qty. per Carrier (#) 0
Qty. per Reel (#) 750
Reel Size (in) 13
Requires Terms and Conditions Does not require acceptance of Terms and Conditions
Tape & Reel Yes
Temp. Range (°C) 0 to 70°C
Thickness (mm) 1.4
Width (mm) 14
已发布 No

描述

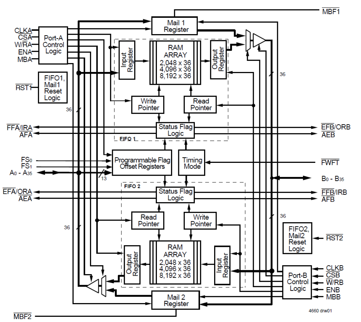
The 72V3652 is a 3.3V CMOS Bidirectional SyncFIFO (clocked) memories. Two independent 2K x 36 dual-port SRAM FIFOs on board each chip buffer data in opposite directions. The clocks for each port are independent of one another and can be asynchronous or coincident. The enables for each port are arranged to provide a simple bidirectional interface between microprocessors and/or buses with synchronous control.