跳转到主要内容
瑞萨电子 (Renesas Electronics Corporation)

特性

  • Pin-out compatible with standard '125 Logic products
  • 5Ω A/B bidirectional bus switch
  • Isolation under power-off conditions
  • Overvoltage tolerant
  • Latch-up performance exceeds 100mA
  • VCC = 2.3V to 3.6V, normal range
  • ESD > 2000V per MIL-STD-883, Method 3015
  • > 200V using machine model (C = 200pF, R = 0)
  • Available in 16-pin QSOP and 14-pin TSSOP packages

描述

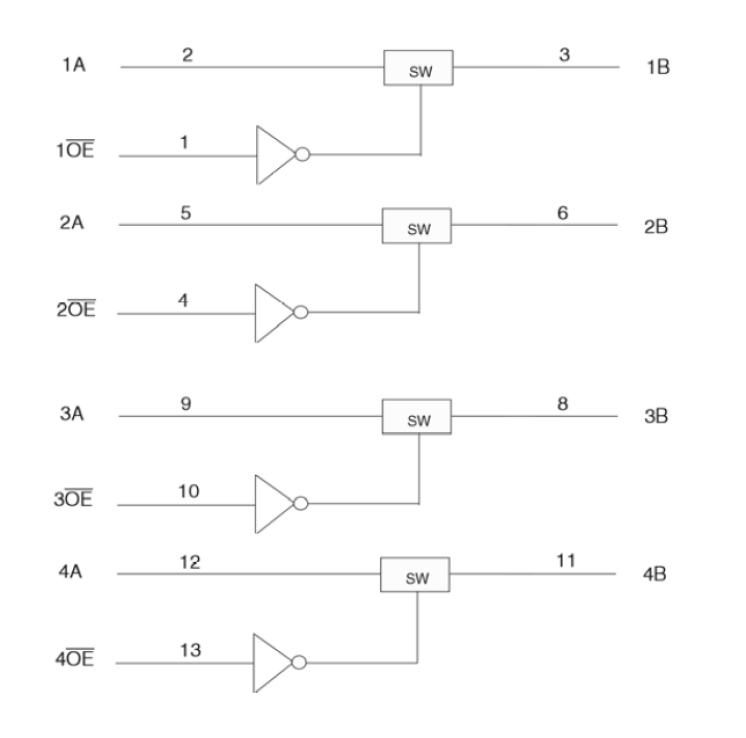
The 74CBTLV3125 quad bus switch features four independent switches. Each switch is enabled when the associated Output Enable (OE) input is low. The 74CBTLV3125 operates at -40 °C to +85 °C.

产品参数

属性
FunctionBus Switch
Pkg. CodePCG16, PGG14
Temp. Range (°C)-40 to 85°C
Bus Width (bits)4
Core Voltage (V)3.3
On Resistance (Ω)5
Speed GradeStandard

封装选项

Pkg. TypePkg. Dimensions (mm)Lead Count (#)Pitch (mm)
QSOP4.9 x 3.8 x 1.47160.64
TSSOP5.0 x 4.4 x 1.0140.65

当前筛选条件