特性
- Pin-out compatible with standard '244 Logic products
- 5Ω A/B bidirectional switch
- Isolation under power-off conditions
- Overvoltage tolerant
- Latch-up performance exceeds 100mA
- VCC = 2.3V to 3.6V, normal range
- ESD > 2000V per MIL-STD-883, Method 3015
- > 200V using machine model (C = 200pF, R = 0)
- Available in 20-pin QSOP and TSSOP packages
描述
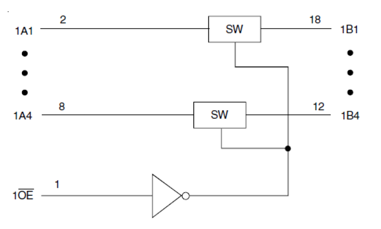
The 74CBTLV3244 octal bus switch has standard 244 pinouts and is designed for asynchronous communication between data buses. Sets of four switches are controlled by one output Enable (OE). When OE is low, the set of four bus switches is on and port A is connected to port B. When OE is high, the set of four bus switches is off and a high impedance exists between port A and port B. The 74CBTLV3244 operates at -40 °C to +85 °C.
产品参数
| 属性 | 值 |
|---|---|
| Function | Bus Switch |
| Pkg. Code | PGG20 |
| Temp. Range (°C) | -40 to 85°C |
| Bus Width (bits) | 8 |
| Core Voltage (V) | 3.3 |
| On Resistance (Ω) | 5 |
| Speed Grade | Standard |
封装选项
| Pkg. Type | Pkg. Dimensions (mm) | Lead Count (#) | Pitch (mm) |
|---|---|---|---|
| TSSOP | 6.5 x 4.4 x 1.0 | 20 | 0.65 |
当前筛选条件
加载中