跳转到主要内容
瑞萨电子 (Renesas Electronics Corporation)

特性

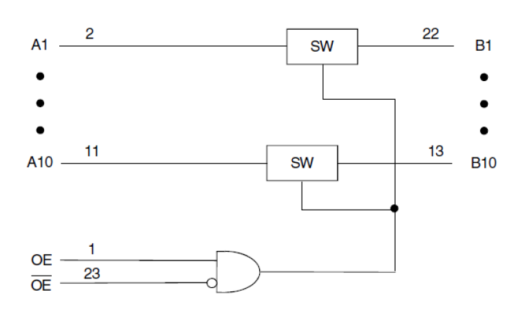
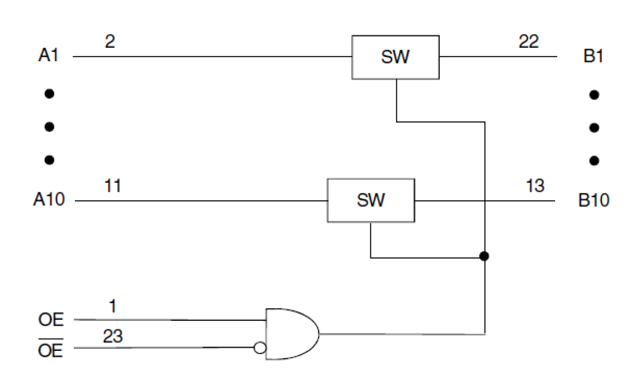
  • 5 ohm A/B bi-directional switch
  • Isolation Under Power-Off Conditions
  • Over-voltage tolerant
  • Latch-up performance exceeds 100mA
  • VCC = 2.3V - 3.6V, normal range
  • ESD >2000V per MIL-STD-883, Method 3015
  • >200V using
  • machine model (C = 200pF, R = 0)
  • Available in 24 pin QSOP and TSSOP packages

描述

The 74CBTLV3862 10-bit bus switch with active high/low enables, provides high-speed bus switching with low on-state resistance of the switch allowing connections to be made with minimal propagation delay. The 74CBTLV3862 operates at -40C to +85C

当前筛选条件