跳转到主要内容

特性

  • Functionally equivalent to QS3800
  • 5 ohm A/B bi-directional switch
  • Isolation under power-off conditions
  • Over-voltage tolerant
  • Latch-up performance exceeds 100mA
  • VCC = 2.3V - 3.6V, Normal Range
  • ESD > 2000V per MIL-STD-883, Method 3015
  • > 200V using machine model (C = 200pF, R = 0)
  • Available in 24 pin QSOP and TSSOP packages

描述

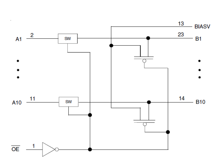
The 74CBTLV6800 10-bit bus switch with precharged outputs provides high-speed bus switching with low on-state resistance of the switch, allowing connections to be made with minimal propagation delay. It is organized as a single 10-bit bus switch with a single output-enable (OE) input. The 74CBTLV6800 operates at -40C to +85C

当前筛选条件