跳转到主要内容
瑞萨电子 (Renesas Electronics Corporation)

特性

  • Stnd and A speeds
  • ESD > 2000V per MIL-STD-883, Method 3015
  • > 200V using machine model (C = 200pF, R = 0)
  • VCC = 3.3V ±0.3V, Normal Range
  • VCC = 2.7V to 3.6V, Extended Range
  • CMOS power levels (0.4 uW typ. static)
  • Rail-to-Rail output swing for increased noise margin
  • Available in 20 pin QSOP package

描述

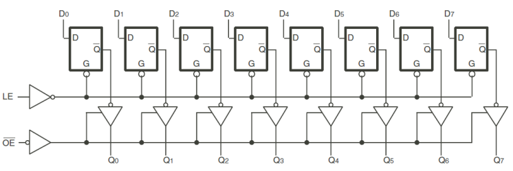
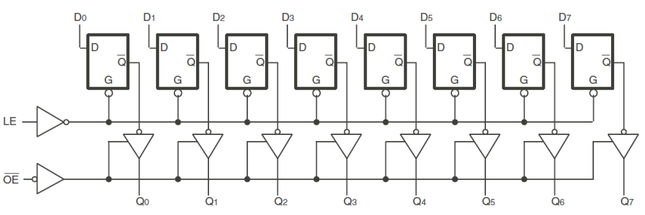
The 74FCT3573 octal transparent latche has 3-state outputs and is intended for bus oriented applications. When Latch Enable (LE) is high, the flip-flops appear transparent to the data and when LE is low, the data that meets the set-up time is latched. The 74FCT3573 operates at -40C to +85C

当前筛选条件