特性
- Typical tSK(o) (output skew) < 250ps
- ESD > 2000V per MIL-STD-883, Method 3015
- > 200V using machine model (C = 200pF, R = 0)
- VCC = 3.3V ± 0.3V, normal range
- VCC = 2.7V to 3.6V, extended range
- CMOS power levels (0.4µW typ. static)
- All inputs, outputs, and I/O are 5V tolerant
- Supports hot insertion
- Available in 48-pin SSOP and TSSOP packages
描述
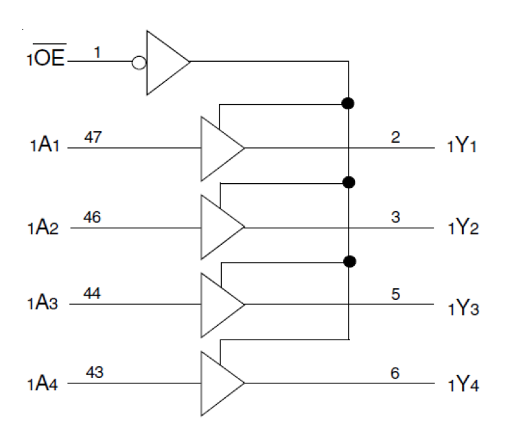
The 74LVC16244A 16-bit buffer/driver is designed specifically to improve both the performance and density of 3-state memory address drivers, clock drivers, and bus-oriented receivers and transmitters and can be used as four 4-bit buffers, two 8-bit buffers, or one 16-bit buffer. All pins of the 74LVC16244A can be driven from either 3.3V or 5V devices which allows the use of the device as a translator in a mixed 3.3V/5V supply system. The 74LVC16244A operates at -40 °C to +85 °C.
产品参数
| 属性 | 值 |
|---|---|
| Function | Buffer/Driver |
| Pkg. Code | PAG48 |
| Temp. Range (°C) | -40 to 85°C |
| Bus Width (bits) | 16 |
| Core Voltage (V) | 3.3 |
| Output Type | 3-state |
| Speed Grade | A |
封装选项
| Pkg. Type | Pkg. Dimensions (mm) | Lead Count (#) | Pitch (mm) |
|---|---|---|---|
| TSSOP | 12.5 x 6.1 x 1.0 | 48 | 0.5 |
当前筛选条件
加载中