| CAD 模型: | View CAD Model |
| Pkg. Type: | SSOP |
| Pkg. Code: | PVG48 |
| Lead Count (#): | 48 |
| Pkg. Dimensions (mm): | 15.9 x 7.5 x 2.3 |
| Pitch (mm): | 0.64 |
| Pb (Lead) Free | Yes |
| Moisture Sensitivity Level (MSL) | 3 |
| ECCN (US) | |
| HTS (US) |
| Lead Count (#) | 48 |
| Pb (Lead) Free | Yes |
| Carrier Type | Tube |
| Moisture Sensitivity Level (MSL) | 3 |
| Bus Width (bits) | 16 |
| Core Voltage (V) | 3.3 |
| Function | Buffer/Driver |
| Length (mm) | 15.9 |
| MOQ | 630 |
| Output Type | 3-state |
| Package Area (mm²) | 119.3 |
| Pb Free Category | e3 Sn |
| Pitch (mm) | 0.64 |
| Pkg. Dimensions (mm) | 15.9 x 7.5 x 2.3 |
| Pkg. Type | SSOP |
| Qty. per Carrier (#) | 30 |
| Qty. per Reel (#) | 0 |
| Requires Terms and Conditions | Does not require acceptance of Terms and Conditions |
| Speed Grade | A |
| Tape & Reel | No |
| Temp. Range (°C) | -40 to 85°C |
| Thickness (mm) | 2.3 |
| Width (mm) | 7.5 |
| 已发布 | No |
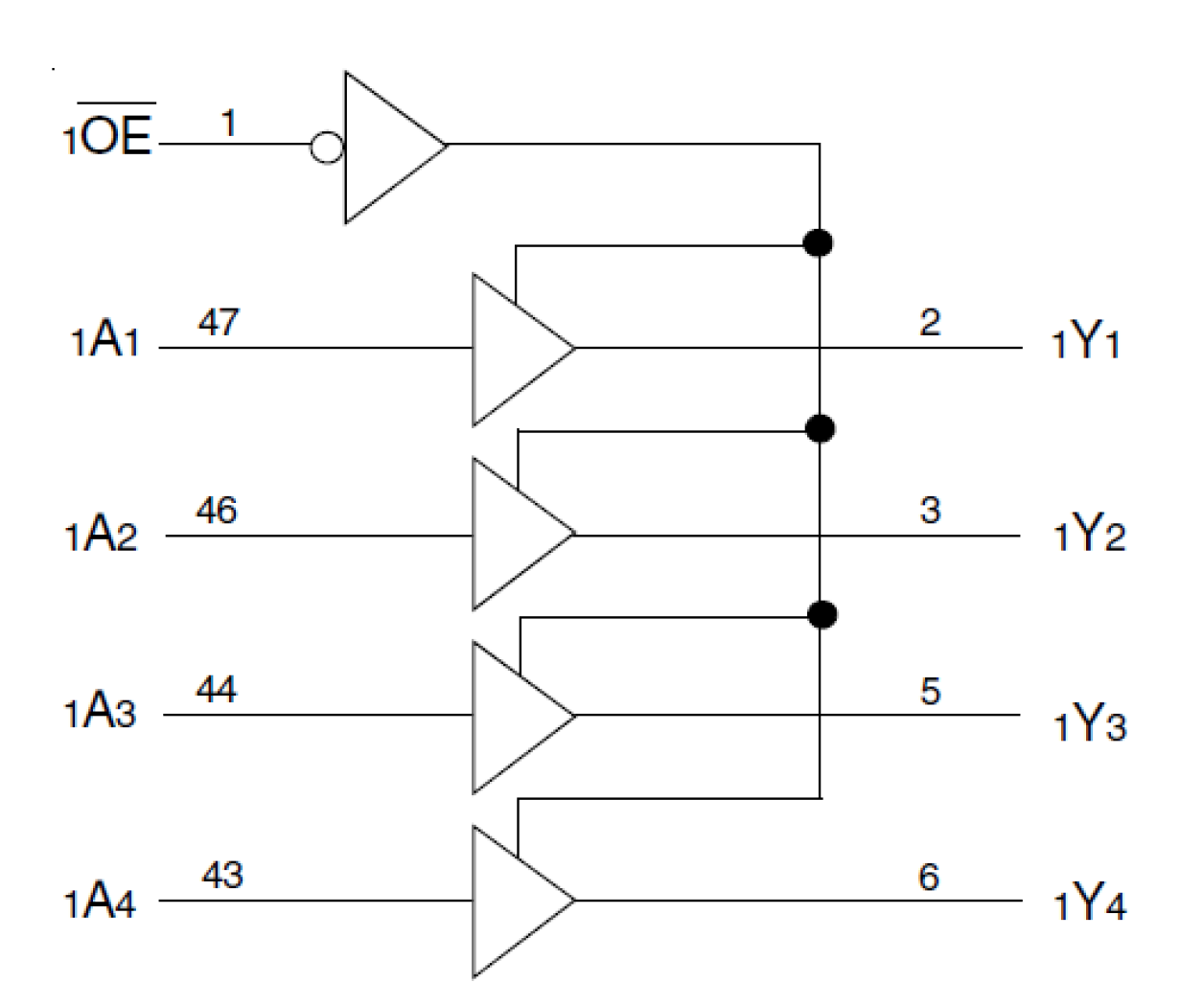
The 74LVC16244A 16-bit buffer/driver is designed specifically to improve both the performance and density of 3-state memory address drivers, clock drivers, and bus-oriented receivers and transmitters and can be used as four 4-bit buffers, two 8-bit buffers, or one 16-bit buffer. All pins of the 74LVC16244A can be driven from either 3.3V or 5V devices which allows the use of the device as a translator in a mixed 3.3V/5V supply system. The 74LVC16244A operates at -40 °C to +85 °C.