跳转到主要内容
瑞萨电子 (Renesas Electronics Corporation)

特性

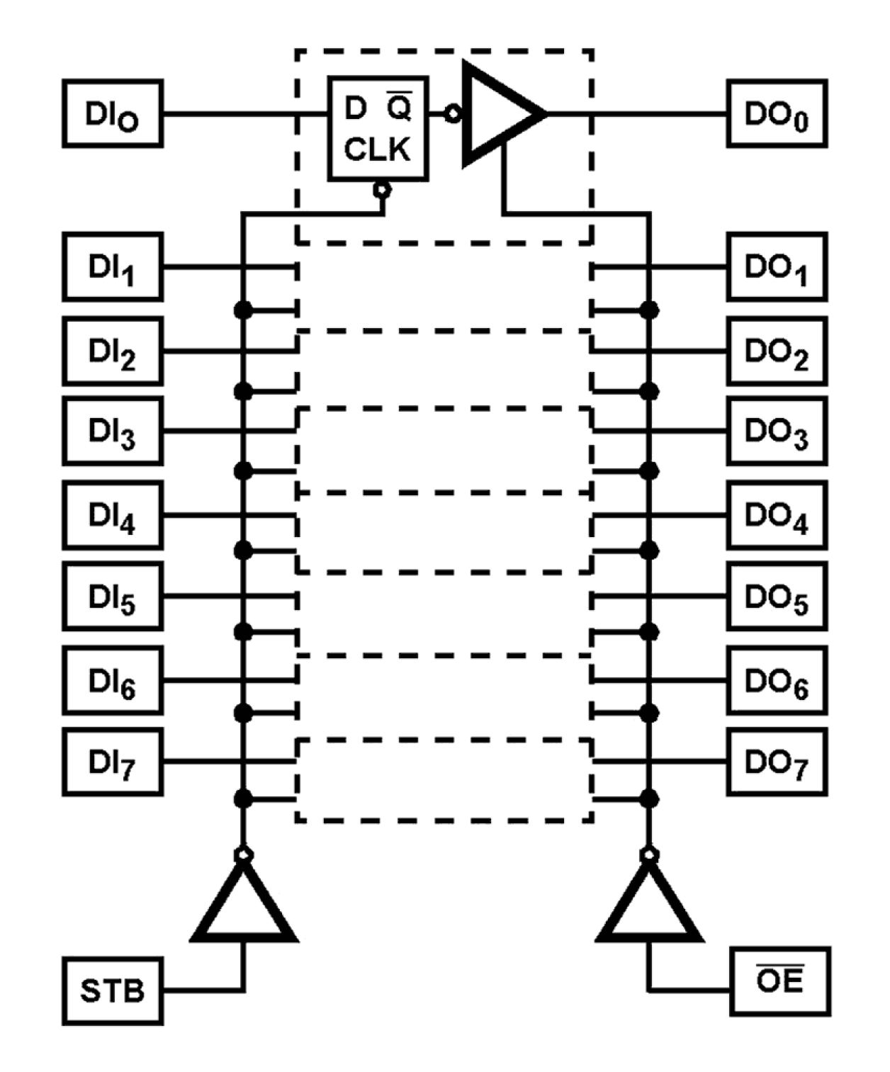
  • Full Eight-Bit Parallel Latching Buffer
  • Bipolar 8282 Compatible
  • Three-State Noninverting Outputs
  • Propagation Delay 35ns Max.
  • Gated Inputs:
  • Reduce Operating Power
  • Eliminate the Need for Pull-Up Resistors
  • Single 5V Power Supply
  • Low Power Operation ICCSB = 10µA
  • Operating Temperature Ranges
  • C82C82 0°C to +70°C
  • I82C82 -40°C to +85°C
  • M82C82 -55°C to +125°C

描述

The Intersil 82C82 is a high performance CMOS Octal Latching Buffer manufactured using a self-aligned silicon gate CMOS process (Scaled SAJI IV). The 82C82 provides an eight-bit parallel latch/buffer in a 20 pin package. The active high strobe (STB) input allows transparent transfer of data and latches data on the negative transition of this signal. The active low output enable (OE) permits simple interface to state-of-the-art microprocessor systems.

封装选项

Pkg. TypePkg. Dimensions (mm)Lead Count (#)Pitch (mm)
CERDIP24.6 x 7.3 x 0.00202.5

当前筛选条件