跳转到主要内容
瑞萨电子 (Renesas Electronics Corporation)

特性

  • 4:1 single-ended multiplexer
  • Q nominal output impedance: 7Ω (VDDO = 3.3V)
  • Maximum output frequency: 250MHz
  • Propagation delay: 3ns (maximum), VDD = VDDO = 3.3V
  • Input skew: 225ps (maximum), VDD = VDDO = 3.3V
  • Part-to-part skew: 780ps (maximum), VDD = VDDO = 3.3V
  • Additive phase jitter, RMS: 0.19ps (typical), 3.3V/3.3V
  • Operating supply modes:
    VDD/VDDO
    3.3V/3.3V
    3.3V/2.5V
    3.3V/1.8V
    2.5V/2.5V
    2.5V/1.8V
  • -40°C to 85°C ambient operating temperature
  • Available in lead-free (RoHS 6) package

描述

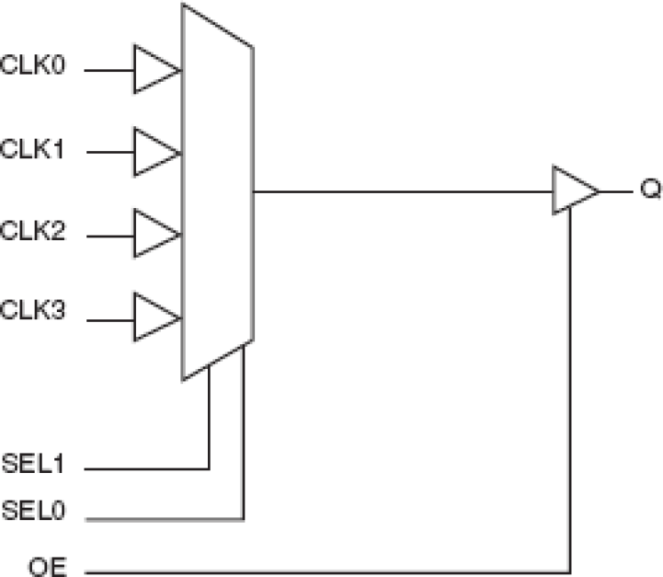
The 83054I is a low skew, 4:1, Single-ended Multiplexer and a member of the family of High Performance Clock Solutions from IDT. The 83054I has four selectable single-ended clock inputs and one single-ended clock output. The output has a VDDO pin which may be set at 3.3V, 2.5V, or 1.8V, making the device ideal for use in voltage translation applications. An output enable pin places the output in a high impedance state which may be useful for testing or debug purposes. The device operates up to 250MHz and is packaged in a 16 TSSOP package.

当前筛选条件