| CAD 模型: | View CAD Model |
| Pkg. Type: | TSSOP |
| Pkg. Code: | PGG16 |
| Lead Count (#): | 16 |
| Pkg. Dimensions (mm): | 5.0 x 4.4 x 1.0 |
| Pitch (mm): | 0.65 |
| Moisture Sensitivity Level (MSL) | 1 |
| Pb (Lead) Free | Yes |
| ECCN (US) | EAR99 |
| HTS (US) | 8542.39.0090 |
| Lead Count (#) | 16 |
| Carrier Type | Reel |
| Moisture Sensitivity Level (MSL) | 1 |
| Qty. per Reel (#) | 2500 |
| Qty. per Carrier (#) | 0 |
| Pb (Lead) Free | Yes |
| Pb Free Category | e3 Sn |
| Temp. Range (°C) | -40 to 85°C |
| Additive Phase Jitter Typ RMS (fs) | 140 |
| Additive Phase Jitter Typ RMS (ps) | 0.14 |
| Core Voltage (V) | 2.5V, 3.3V |
| Function | Multiplexer |
| Input Freq (MHz) | 250 |
| Input Type | LVCMOS |
| Inputs (#) | 2 |
| Length (mm) | 5 |
| MOQ | 2500 |
| Output Banks (#) | 4 |
| Output Freq Range (MHz) | 250 |
| Output Skew (ps) | 90 |
| Output Type | LVCMOS |
| Output Voltage (V) | 1.8V, 2.5V, 3.3V |
| Outputs (#) | 4 |
| Package Area (mm²) | 22 |
| Pitch (mm) | 0.65 |
| Pkg. Dimensions (mm) | 5.0 x 4.4 x 1.0 |
| Pkg. Type | TSSOP |
| Reel Size (in) | 13 |
| Requires Terms and Conditions | Does not require acceptance of Terms and Conditions |
| Tape & Reel | Yes |
| Thickness (mm) | 1 |
| Width (mm) | 4.4 |
| 已发布 | No |
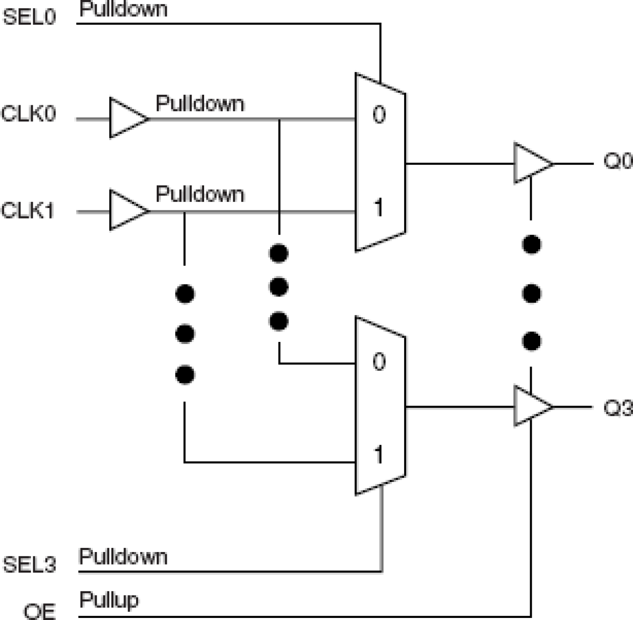
The 83054I-01 is a 4-bit, 2:1, Single-ended Multiplexer and a member of the family of High Performance Clock Solutions from IDT. The 83054I-01 has two selectable single-ended clock inputs and four single-ended clock outputs. The output has a VDDO pin which may be set at 3.3V, 2.5V, or 1.8V, making the device ideal for use in voltage translation applications. An output enable pin places the output in a high impedance state which may be useful for testing or debug. Possible applications include systems with up to four transceivers which need to be independently set for different rates. For example, a board may have four transceivers, each of which need to be independently configured for 1 Gigabit Ethernet or 1 Gigabit Fibre Channel rates. Another possible application may require the ports to be independently set for FEC (Forward Error Correction) or non-FEC rates. The device operates up to 250MHz and is packaged in a 16 TSSOP.