| CAD 模型: | View CAD Model |
| Pkg. Type: | TSSOP |
| Pkg. Code: | PGG24 |
| Lead Count (#): | 24 |
| Pkg. Dimensions (mm): | 7.8 x 4.4 x 1.0 |
| Pitch (mm): | 0.65 |
| Moisture Sensitivity Level (MSL) | 1 |
| Pb (Lead) Free | Yes |
| ECCN (US) | EAR99 |
| HTS (US) | 8542.39.0090 |
| Lead Count (#) | 24 |
| Carrier Type | Tube |
| Moisture Sensitivity Level (MSL) | 1 |
| Qty. per Reel (#) | 0 |
| Qty. per Carrier (#) | 62 |
| Pb (Lead) Free | Yes |
| Pb Free Category | e3 Sn |
| Temp. Range (°C) | -40 to 85°C |
| Core Voltage (V) | 2.5V, 3.3V |
| Function | Buffer, Multiplexer |
| Input Freq (MHz) | 350 |
| Input Type | HCSL, HSTL, LVCMOS, LVDS, LVPECL, SSTL |
| Inputs (#) | 2 |
| Length (mm) | 7.8 |
| MOQ | 124 |
| Output Banks (#) | 1 |
| Output Freq Range (MHz) | 350 |
| Output Skew (ps) | 100 |
| Output Type | LVCMOS |
| Output Voltage (V) | 2.5V, 3.3V |
| Outputs (#) | 8 |
| Package Area (mm²) | 34.3 |
| Pitch (mm) | 0.65 |
| Pkg. Dimensions (mm) | 7.8 x 4.4 x 1.0 |
| Pkg. Type | TSSOP |
| Requires Terms and Conditions | Does not require acceptance of Terms and Conditions |
| Tape & Reel | No |
| Thickness (mm) | 1 |
| Width (mm) | 4.4 |
| 已发布 | No |
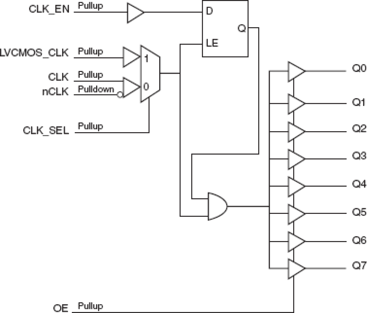
The 8308I is a low-skew, 1-to-8 Fanout Buffer. The 8308I has two selectable clock inputs. The CLK, nCLK pair can accept most differential input levels. The LVCMOS_CLK can accept LVCMOS or LVTTL input levels. The low impedance LVCMOS/ LVTTL outputs are designed to drive 50? series or parallel terminated transmission lines. The effective fanout can be increased from 8 to 16 by utilizing the ability of the outputs to drive two series terminated transmission lines. The 8308I is characterized for 3.3V core/3.3V output, 3.3V core/2.5V output or 2.5V core/2.5V output operation. Guaranteed output and part-part skew characteristics make the 8308I ideal for those clock distribution applications requiring well defined performance and repeatability.