跳转到主要内容
瑞萨电子 (Renesas Electronics Corporation)

特性

  • Clock switch for PCIe and ATCA/AMC applications
  • Supports local and common ATCA/AMC clock modes
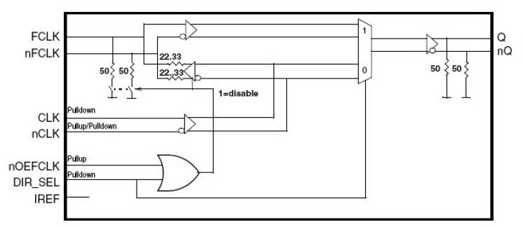
  • Bi-directional clock I/O FCLK: -When operating as an output, FCLK is a source-terminated HCSL signal. - When operating as an input, FCLK accepts HCSL, LVDS and LVPECL levels.
  • Local clock input (CLK) accepts HCSL, LVDS and LVPECL differential signals
  • Local HCSL clock output (Q)
  • Maximum input/output clock frequency: 500MHz
  • Maximum input/output data rate: 1000Mb/s (NRZ)
  • LVCMOS interface levels for the control inputs
  • PCI Express (2.5 Gb/S), Gen 2 (5 Gb/s) and Gen 3 (8 Gb/s) jitter compliant
  • Full 3.3V or 2.5V supply voltage
  • Lead-free (RoHS 6) 16-lead TSSOP package
  • -40°C to 85°C ambient operating temperature

描述

The 831752I is a high-performance, differential HCSL clock switch. The device is designed for the routing of PCIe clock signals in ATCA/AMC system and is optimized for PCIe Gen 1, Gen 2 and Gen 3. The device has one differential, bi-directional I/O (FCLK) for connection to ATCA clock sources and to clock receivers through a connector. The differential clock input CLK is the local clock input and the HCSL output Q is the local clock output. In the common clock mode, FCLK serves as an input and is routed to the differential HCSL output Q. There are two local clock modes. In the local clock mode 0, CLK is the input, Q is the clock output and FCLK is in high-impedance state. In the local clock mode 1, CLK is the input and both Q and FCLK are the outputs of the locally generated PCIe clock signal. The 831752I is characterized to operate from a 3.3V power or 2.5V power supply. The 831752I supports the switching of PCI Express (2.5 Gb/s), Gen 2 (5 Gb/s) and Gen 3 (8 Gb/s) clock signals.

当前筛选条件