跳转到主要内容

特性

  • Four LVCMOS/LVTTL outputs,
    19Ω typical output impedance @ VDD = VDDO = 3.3V
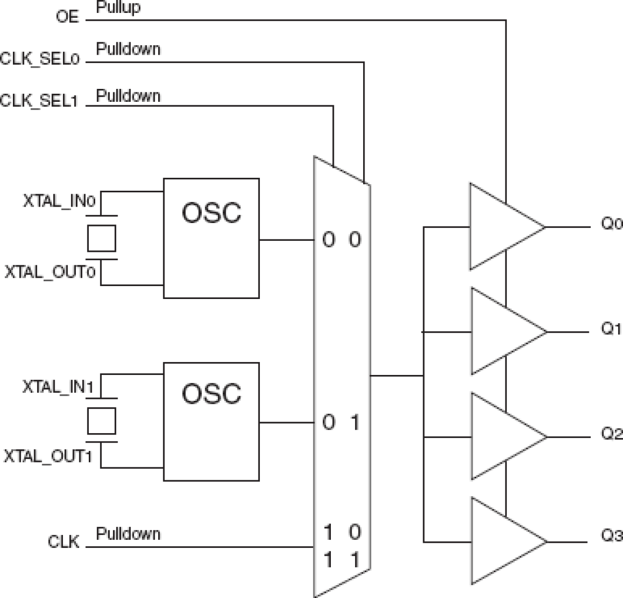
  • Two Crystal oscillator input pairs
    One LVCMOS/LVTTL clock input
  • Crystal input frequency range: 12MHz – 38.88MHz
  • Output frequency: 200MHz (maximum)
  • Output Skew: 40ps (maximum) @ VDD = VDDO = 3.3V
  • RMS phase jitter @ 25MHz output, using a 25MHz crystal
    (100Hz – 1MHz): 0.16ps (typical) @ VDD = VDDO = 3.3V
  • RMS phase noise at 25MHz:
    Offset Noise Power
     100Hz ............. -118.4 dBc/Hz
       1kHz ............. -141.5 dBc/Hz
     10kHz ............. -157.2 dBc/Hz
    100kHz ............ -157.2 dBc/Hz
  • Supply Voltage Modes:
    (Core/Output)
    3.3V/3.3V
    3.3V/2.5V
    3.3V/1.8V
    2.5V/2.5V
    2.5V/1.8V
  • 0°C to 70°C ambient operating temperature
  • Available in lead-free (RoHS 6) package

描述

The 83904-02 is a low skew, high performance 1-to-4 Crystal-to-LVCMOS Fanout Buffer. The 83904-02 has selectable single-ended clock or two crystal-oscillator inputs. There is an output enable to disable the outputs by placing them into a high impedance state. Guaranteed output and part-to-part skew characteristics make the 83904-02 ideal for those applications demanding well defined performance and repeatability.

当前筛选条件