跳转到主要内容
瑞萨电子 (Renesas Electronics Corporation)

特性

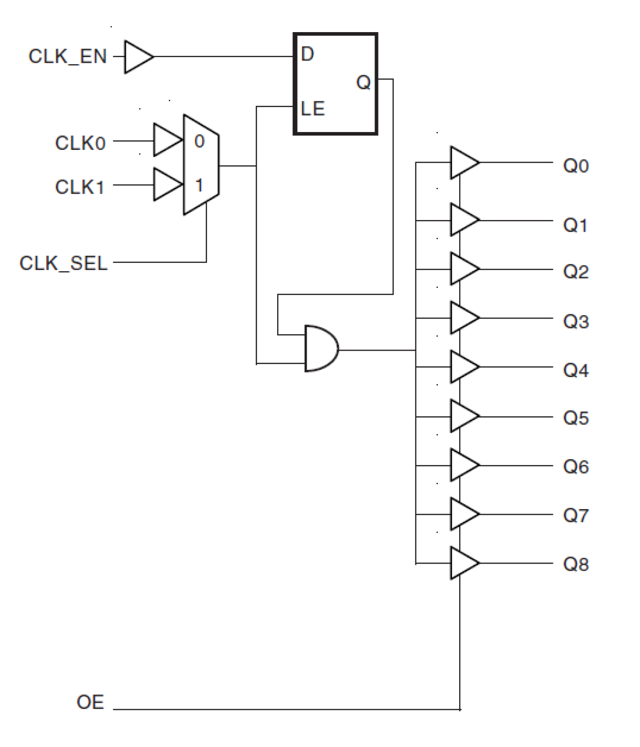
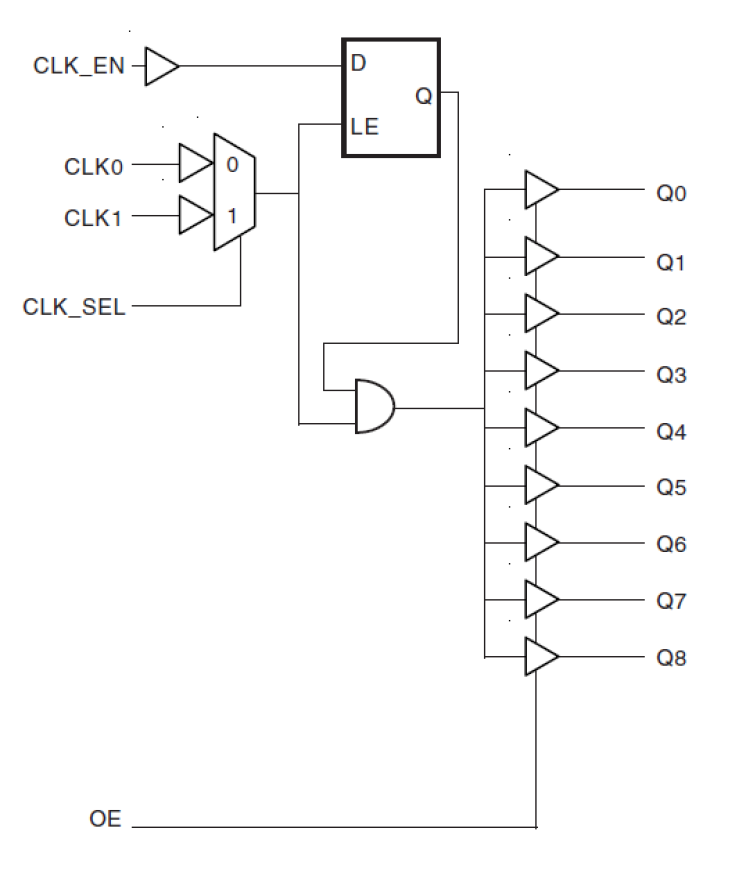
  • 9 LVCMOS/LVTTL outputs
  • Selectable CLK0 and CLK1 can accept the following input levels: LVCMOS and LVTTL
  • Maximum output frequency: 250MHz
  • Output skew: 115ps (maximum)
  • Part-to-part skew: 500ps (maximum)
  • Additive phase jitter, RMS: 0.02ps (typical) @ 3.3V
  • Full 3.3V or 2.5V operating supply
  • -40°C to 85°C ambient operating temperature

描述

The 83947I-147 is a low skew, 1-to-9 LVCMOS/LVTTL Fanout Buffer. The low impedance LVCMOS/LVTTL outputs are designed to drive 50Ω series or parallel terminated transmission lines. The effective fanout can be increased from 9 to 18 by utilizing the ability of the outputs to drive two series terminated lines. Guaranteed output and part-to-part skew characteristics make the 83947I-147 ideal for high performance, 3.3V or 2.5V single ended applications.

当前筛选条件