| CAD 模型: | View CAD Model |
| Pkg. Type: | TQFP |
| Pkg. Code: | PRG32 |
| Lead Count (#): | 32 |
| Pkg. Dimensions (mm): | 7.0 x 7.0 x 1.4 |
| Pitch (mm): | 0.8 |
| Moisture Sensitivity Level (MSL) | 3 |
| Pb (Lead) Free | Yes |
| ECCN (US) | EAR99 |
| HTS (US) | 8542.39.0090 |
| Lead Count (#) | 32 |
| Carrier Type | Tray |
| Moisture Sensitivity Level (MSL) | 3 |
| Qty. per Reel (#) | 0 |
| Qty. per Carrier (#) | 250 |
| Pb (Lead) Free | Yes |
| Pb Free Category | e3 Sn |
| Temp. Range (°C) | -40 to 85°C |
| Core Voltage (V) | 3.3 |
| Function | Buffer, Multiplexer |
| Input Freq (MHz) | 150 |
| Input Type | HCSL, HSTL, LVCMOS, LVDS, LVPECL, SSTL |
| Inputs (#) | 2 |
| Length (mm) | 7 |
| MOQ | 250 |
| Output Banks (#) | 1 |
| Output Freq Range (MHz) | 150 |
| Output Skew (ps) | 350 |
| Output Type | LVCMOS |
| Output Voltage (V) | 3.3 |
| Outputs (#) | 12 |
| Package Area (mm²) | 49 |
| Pitch (mm) | 0.8 |
| Pkg. Dimensions (mm) | 7.0 x 7.0 x 1.4 |
| Pkg. Type | TQFP |
| Product Category | Clock Buffers & Drivers, Clock Multiplexers |
| Requires Terms and Conditions | Does not require acceptance of Terms and Conditions |
| Tape & Reel | No |
| Thickness (mm) | 1.4 |
| Width (mm) | 7 |
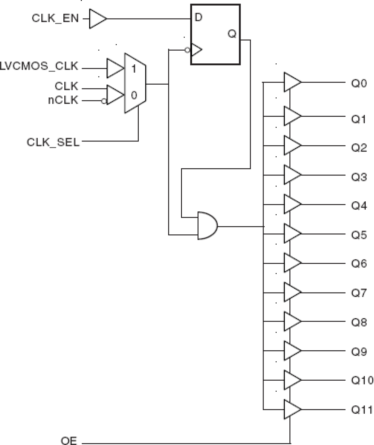
The 83948I-01 is a low skew, 1-to-12 Differential-to- LVCMOS Fanout Buffer. The 83948I-01 has two selectable clock inputs. The CLK, nCLK pair can accept most standard differential input levels. The LVCMOS_CLK can accept LVCMOS or LVTTL input levels. The low impedance LVCMOS outputs are designed to drive 50Ω series or parallel terminated transmission lines. The effective fanout can be increased from 12 to 24 by utilizing the ability of the outputs to drive two series terminated lines. The 83948I-01 is characterized at 3.3V core/3.3V output. Guaranteed output and part-to-part skew characteristics make the 83948I-01 ideal for those clock distribution applications demanding well defined performance and repeatability.