跳转到主要内容
瑞萨电子 (Renesas Electronics Corporation)

特性

  • Two LVCMOS outputs @ 3.3V, 17Ω typical output impedance
  • Selectable crystal oscillator interface or LVCMOS single-ended input
  • Output frequency range: 46.66MHz - 233.33MHz
  • VCO range: 560MHz - 700MHz
  • Supports the following output frequencies: 212.5MHz, 159.375MHz, 156.25MHz, 106.25MHz and 53.125MHz
  • RMS phase jitter @ 212.5MHz (637KHz - 10MHz): 0.83ps (typical)
    Typical phase noise at 212.5MHz:
    Offset             Noise Power
    100Hz ............... -91.3 dBc/Hz
    1KHz .................-114.3 dBc/Hz
    10KHz ...............-120.7 dBc/Hz
    100KHz .............-120.2 dBc/Hz
  • Power supply modes:
    Core/Output
    3.3V/3.3V
    3.3V/2.5V
    2.5V/2.5V
  • -40°C to 85°C ambient operating temperature
  • Lead-Free package RoHS compliant

描述

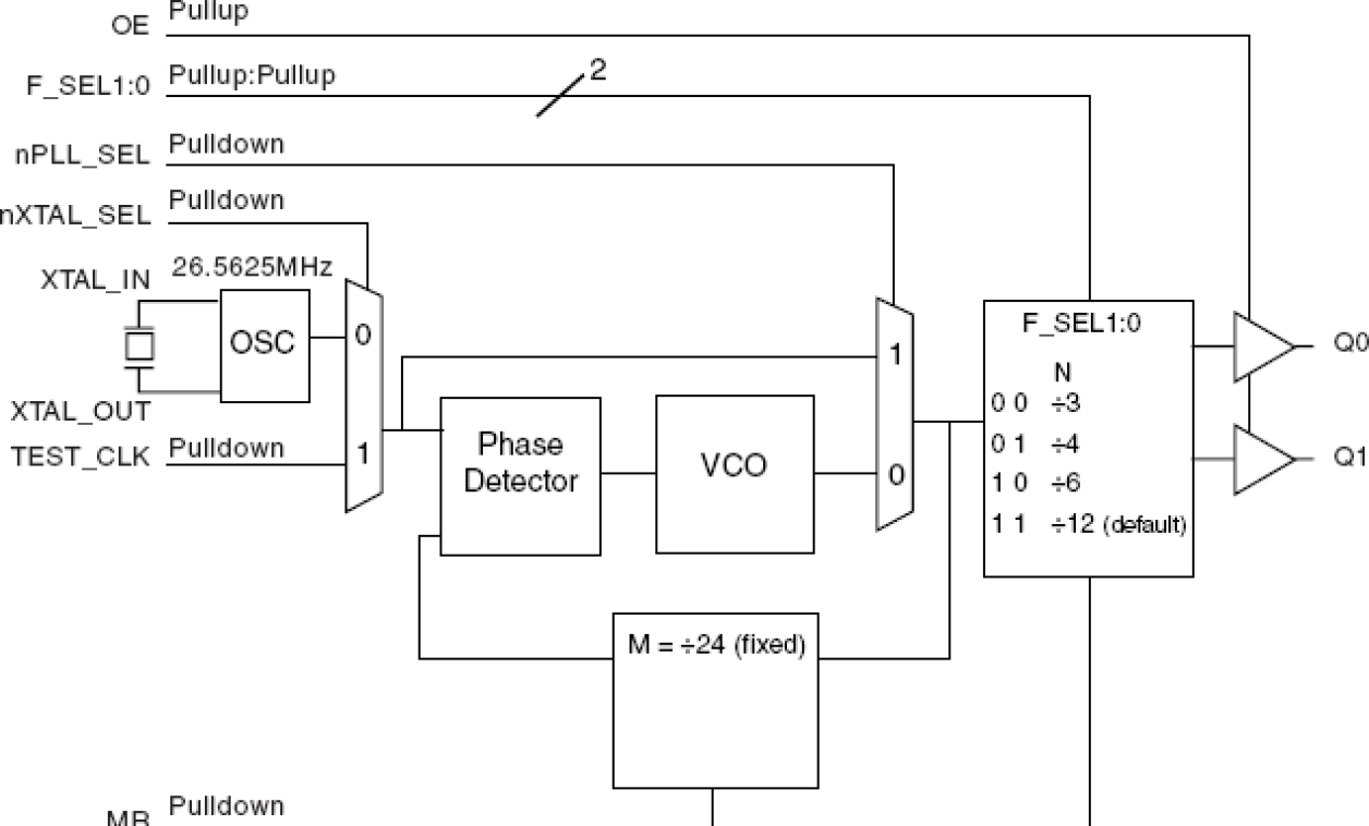
The 840002I is a 2 output LVCMOS/LVTTL synthesizer optimized to generate Fibre Channel reference clock frequencies. Using a 26.5625MHz 18pF parallel resonant crystal, the following frequencies can be generated based on the 2 frequency select pins (F_SEL1:0): 212.5MHz, 159.375MHz, 156.25MHz, 106.25MHz, and 53.125MHz. The 840002I uses our 3rd generation low phase noise VCO technology and can achieve 1ps or lower typical rms phase jitter, easily meeting Fibre Channel jitter requirements. The 840002I is packaged in a 16-pin TSSOP package.

当前筛选条件