| CAD 模型: | View CAD Model |
| Pkg. Type: | TSSOP |
| Pkg. Code: | PGG20 |
| Lead Count (#): | 20 |
| Pkg. Dimensions (mm): | 6.5 x 4.4 x 1.0 |
| Pitch (mm): | 0.65 |
| Moisture Sensitivity Level (MSL) | 1 |
| Pb (Lead) Free | Yes |
| ECCN (US) | EAR99 |
| HTS (US) | 8542.39.0090 |
| Lead Count (#) | 20 |
| Carrier Type | Tube |
| Moisture Sensitivity Level (MSL) | 1 |
| Qty. per Reel (#) | 0 |
| Qty. per Carrier (#) | 74 |
| Pb (Lead) Free | Yes |
| Pb Free Category | e3 Sn |
| Temp. Range (°C) | 0 to 70°C |
| Core Voltage (V) | 3.3 |
| Feedback Input | No |
| Input Freq (MHz) | 26.5625 - 26.5625 |
| Input Type | Crystal, LVCMOS |
| Inputs (#) | 2 |
| Length (mm) | 6.5 |
| MOQ | 74 |
| Output Banks (#) | 1 |
| Output Freq Range (MHz) | 53.125 - 53.125, 106.25 - 106.25, 156.25 - 156.25, 159.375 - 159.375, 212.5 - 212.5 |
| Output Skew (ps) | 60 |
| Output Type | LVCMOS |
| Output Voltage (V) | 2.5V, 3.3V |
| Outputs (#) | 4 |
| Package Area (mm²) | 28.6 |
| Phase Jitter Typ RMS (ps) | 0.46 |
| Pitch (mm) | 0.65 |
| Pkg. Dimensions (mm) | 6.5 x 4.4 x 1.0 |
| Pkg. Type | TSSOP |
| Prog. Clock | No |
| Reference Output | No |
| Requires Terms and Conditions | Does not require acceptance of Terms and Conditions |
| Spread Spectrum | No |
| Tape & Reel | No |
| Thickness (mm) | 1 |
| Width (mm) | 4.4 |
| 已发布 | No |
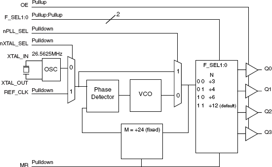
The 840004 is a 4-output LVCMOS/LVTTL synthesizer optimized to generate Ethernet reference clock frequencies. Using a 26.5625MHz, 18pF parallel resonant crystal, the following frequencies can be generated based on the 2 frequency select pins (F_SEL1:0): 212.5MHz, 159.375MHz, 156.25MHz, 106.25MHz, and 53.125MHz. The 840004 uses our third generation low phase noise VCO technology and can achieve 1ps or lower typical random rms phase jitter, easily meeting Ethernet jitter requirements. The 840004 is packaged in a small 20-pin TSSOP package.