特性
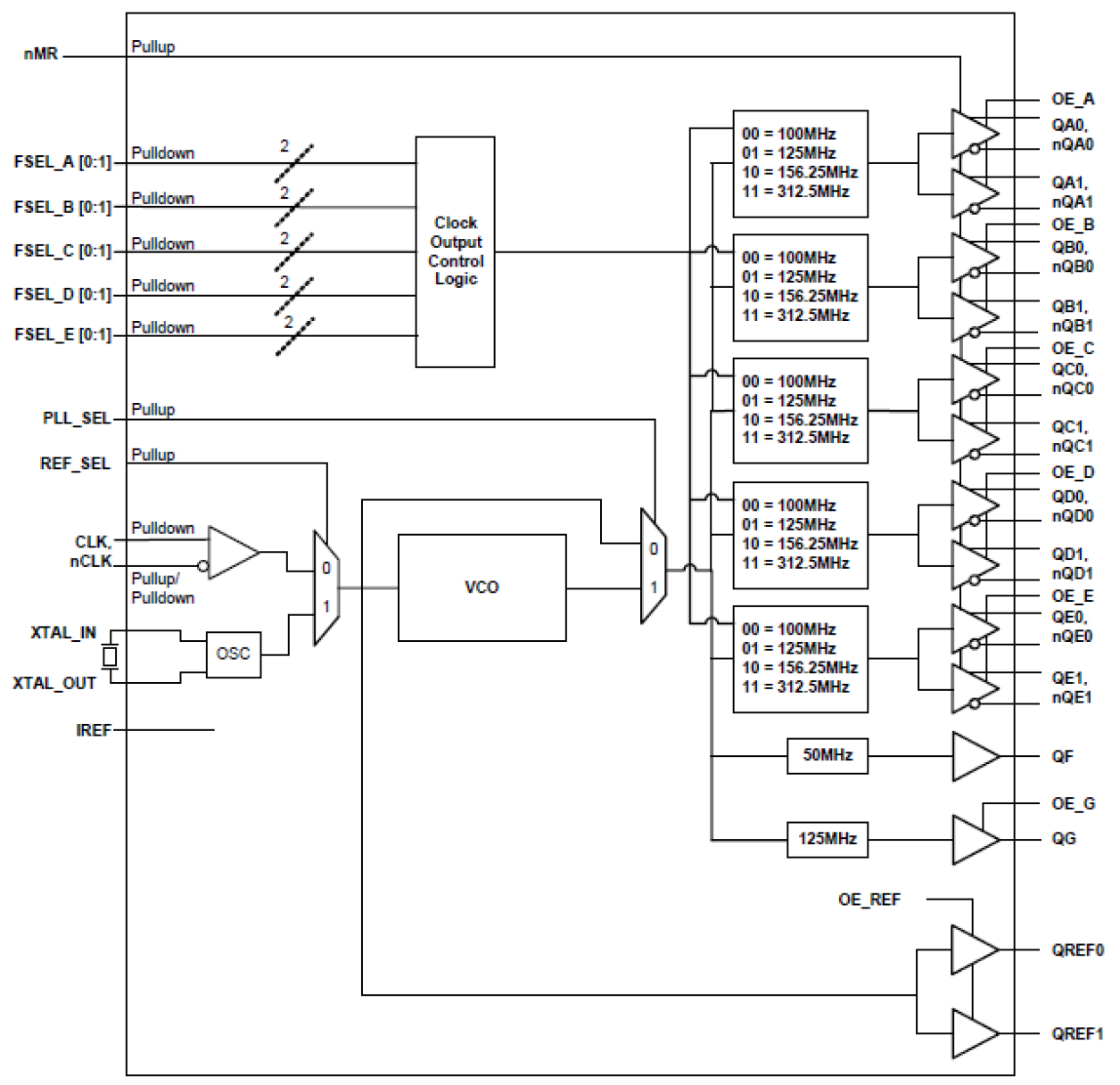
- Ten selectable 100MHz, 125MHz, 156.25MHz and 312.5MHz clocks for PCI Express, sRIO and GbE, HCSL interface levels
- One single-ended QG LVCMOS/LVTTL clock output at 125MHz
- One single-ended QF LVCMOS/LVTTL clock output at 50MHz, 15 output impedance
- Two single-ended QREFx LVCMOS/LVTTL outputs at 25MHz, 15 output impedance
- Selectable external crystal or differential (single-ended) input source
- Crystal oscillator interface designed for 25MHz, parallel resonant crystal
- Differential CLK, nCLK input pair that can accept: LVPECL, LVDS, LVHSTL, HCSL input levels
- Internal resistor bias on nCLK pin allows the user to drive CLK input with external single-ended (LVCMOS/ LVTTL) input levels
- Supply Modes, (125MHz QG output and 25MHz QREFx outputs):
- Core / Output
- 3.3V / 3.3V
- 3.3V / 2.5V
- Supply Modes, (HCSL outputs, and 50MHz QF output):
- Core / Output
- 3.3V / 3.3V
- -40°C to 85°C ambient operating temperature
- Available in Lead-free (RoHS 6) package
描述
The 8413S12BI is a PLL-based clock generator. This high performance device is optimized to generate the processor core reference clock, the PCI-Express, sRIO, XAUI, SerDes reference clocks and the clocks for both the Gigabit Ethernet MAC and PHY. The clock generator offers ultra low-jitter, low-skew clock outputs. The output frequencies are generated from a 25MHz external input source or an external 25MHz parallel resonant crystal. The industrial temperature range of the 8413S12BI supports telecommunication, networking, and storage requirements.
产品参数
| 属性 | 值 |
|---|---|
| App Jitter Compliance | PCIe Gen1, PCIe Gen2, PCIe Gen3, XAUI |
| Outputs (#) | 14 |
| Output Type | LVCMOS, HCSL |
| Output Freq Range (MHz) | 100 - 100, 125 - 125, 156.25 - 156.25, 312.5 - 312.5 |
| Input Freq (MHz) | 25 - 25 |
| Inputs (#) | 2 |
| Input Type | Crystal, LVCMOS, LVTTL |
| Output Banks (#) | 7 |
| Core Voltage (V) | 3.3 |
| Output Voltage (V) | 2.5V, 3.3V |
| Feedback Input | No |
| Product Category | General Purpose Clocks, PCI Express Clocks, Processor Clock Generators |
封装选项
| Pkg. Type | Pkg. Dimensions (mm) | Lead Count (#) | Pitch (mm) |
|---|---|---|---|
| VFQFPN | 10.0 x 10.0 x 1.0 | 72 | 0.5 |
当前筛选条件