跳转到主要内容
瑞萨电子 (Renesas Electronics Corporation)

特性

  • One 3.3Vdifferential LVPECL output pair and one LVCMOS/LVTTL single-ended reference clock output
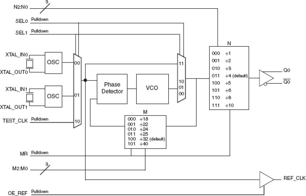
  • Selectable crystal oscillator interface or LVCMOS/LVTTL single-ended input
  • VCO range: 560MHz – 700MHz
  • Supports the following applications: SONET, Ethernet, Fibre Channel, Serial ATA, and HDTV
  • Selectable ÷1 or ÷2 operation
  • RMS phase jitter @ 622.08MHz (12kHz - 20MHz): 0.80ps (typical)
    Offset                   Noise Power
    100Hz ................ -60.3 dBc/Hz
    1kHz .................. -88.5 dBc/Hz
    10kHz ................ -111.9 dBc/Hz
    100kHz .............. -113.0 dBc/Hz
  • Full 3.3V supply mode
  • 0°C to 70°C ambient operating temperature
  • Available in lead-free (RoHS 6) package

描述

The 843001-21 is a highly versatile, low phase noise LVPECL Synthesizer that can generate low jitter reference clocks for a variety of communications applications. The dual crystal interface allows the synthesizer to support up to two communications standards in a given application (i.e. 1GB Ethernet with a 25MHz crystal and 1Gb Fibre Channel using a 26.5625MHz crystal). The rms phase jitter performance is typically less than 1ps, thus making the device acceptable for use in demanding applications such as OC48 SONET and 10Gb Ethernet. The 843001-21 is packaged in a small 24-pin TSSOP package.

当前筛选条件