| CAD 模型: | View CAD Model |
| Pkg. Type: | TSSOP |
| Pkg. Code: | EJG24 |
| Lead Count (#): | 24 |
| Pkg. Dimensions (mm): | 7.8 x 4.4 x 1.0 |
| Pitch (mm): | 0.65 |
| Moisture Sensitivity Level (MSL) | 1 |
| Pb (Lead) Free | Yes |
| ECCN (US) | EAR99 |
| HTS (US) | 8542.39.0090 |
| Lead Count (#) | 24 |
| Carrier Type | Tube |
| Moisture Sensitivity Level (MSL) | 1 |
| Pb (Lead) Free | Yes |
| Pb Free Category | e3 Sn |
| Temp. Range (°C) | -40 to 85°C |
| Advanced Features | Reference Output |
| App Jitter Compliance | PCIe |
| Core Voltage (V) | 2.5V, 3.3V |
| Feedback Input | No |
| Input Freq (MHz) | 19.44 - 27 |
| Input Type | Crystal, LVCMOS |
| Inputs (#) | 3 |
| Length (mm) | 7.8 |
| MOQ | 62 |
| Output Banks (#) | 2 |
| Output Freq Range (MHz) | 19.44 - 27, 70 - 637.5 |
| Output Type | LVCMOS, LVPECL |
| Output Voltage (V) | 2.5V, 3.3V |
| Outputs (#) | 2 |
| Package Area (mm²) | 34.3 |
| Phase Jitter Typ RMS (ps) | 0.97 |
| Pitch (mm) | 0.65 |
| Pkg. Dimensions (mm) | 7.8 x 4.4 x 1.0 |
| Pkg. Type | TSSOP |
| Prog. Clock | No |
| Qty. per Carrier (#) | 62 |
| Qty. per Reel (#) | 0 |
| Reference Output | Yes |
| Requires Terms and Conditions | Does not require acceptance of Terms and Conditions |
| Spread Spectrum | No |
| Tape & Reel | No |
| Thickness (mm) | 1 |
| Width (mm) | 4.4 |
| 已发布 | No |
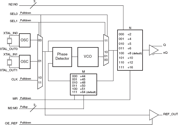
The 843001I-23 is a highly versatile, low phase noise LVPECL/LVCMOS synthesizer that can generate low jitter reference clocks for a variety of communication applications. The dual crystal interface allows the synthesizer to support up to three communication standards in a given application (i.e. SONET with a 19.44MHz crystal, 1Gb/10Gb Ethernet and Fibre Channel using a 25MHz crystal). The RMS phase jitter performance is typically less than 1ps, thus making the device acceptable for use in demanding applications such as OC48 SONET, GbE/10Gb Ethernet and SAN applications. The 843001I-23 is packaged in a small 24-pin TSSOP, E-Pad package.