跳转到主要内容
瑞萨电子 (Renesas Electronics Corporation)

特性

  • Four LVPECL outputs
  • Selectable crystal oscillator interface or LVCMOS/LVTTL single-ended input
  • Supports the following applications: SONET/SDH, SATA, or 10Gb Ethernet
  • Output frequency range: 140MHz - 170MHz, 560MHz - 680MHz
  • VCO range: 560MHz - 680MHz
  • Crystal oscillator and CLK range: 17.5MHz - 21.25MHz
  • RMS phase jitter @ 622.08MHz output, using a 19.44MHz crystal (12kHz - 20MHz): 0.82ps (typical)
  • RMS phase jitter @ 156.25MHz output, using a 19.53125MHz crystal (1.875MHz - 20MHz): 0.57ps (typical)
  • RMS phase jitter @ 155.52MHz output, using a 19.44MHz crystal (12kHz - 20MHz): 0.94ps (typical)
  • Full 3.3V supply mode
  • -40°C to 85°C ambient operating temperature
  • Available in lead-free RoHS compliant package

描述

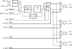
The 843004I-04 is a 4 output LVPECL Synthesizer optimized to generate clock frequencies for a variety of high performance applications. This device can select its input reference clock from either a crystal input or a single-ended clock signal. It can be configured to generate 4 outputs with individually selectable divideby- one or divide-by-four function via the 4 frequency select pins (F_SEL[3:0]). The 843004I-04 uses our 3rd generation low phase noise VCO technology and can achieve 1ps or lower typical rms phase jitter. This ensures that it will easily meet clocking requirements for SDH (STM-1/STM-4/STM-16) and SONET (OC-3/ OC12/OC-48). This device is suitable for multi-rate and multiple port line card applications. The 843004I-04 is conveniently packaged in a small 24-pin TSSOP package.

当前筛选条件