| CAD 模型: | View CAD Model |
| Pkg. Type: | VFQFPN |
| Pkg. Code: | NLG32 |
| Lead Count (#): | 32 |
| Pkg. Dimensions (mm): | 5.0 x 5.0 x 0.9 |
| Pitch (mm): | 0.5 |
| Moisture Sensitivity Level (MSL) | 3 |
| Pb (Lead) Free | Yes |
| ECCN (US) | EAR99 |
| HTS (US) | 8542.39.0090 |
| Lead Count (#) | 32 |
| Carrier Type | Reel |
| Moisture Sensitivity Level (MSL) | 3 |
| Qty. per Reel (#) | 2500 |
| Qty. per Carrier (#) | 0 |
| Pb (Lead) Free | Yes |
| Pb Free Category | e3 Sn |
| Temp. Range (°C) | -40 to 85°C |
| Core Voltage (V) | 3.3 |
| Feedback Input | No |
| Input Freq (MHz) | 15.313 - 27.2 |
| Input Type | Crystal, LVCMOS |
| Inputs (#) | 2 |
| Length (mm) | 5 |
| MOQ | 2500 |
| Output Banks (#) | 2 |
| Output Freq Range (MHz) | 61.25 - 680 |
| Output Skew (ps) | 50 |
| Output Type | LVDS |
| Output Voltage (V) | 3.3 |
| Outputs (#) | 3 |
| Package Area (mm²) | 25 |
| Phase Jitter Typ RMS (ps) | 0.34 |
| Pitch (mm) | 0.5 |
| Pkg. Dimensions (mm) | 5.0 x 5.0 x 0.9 |
| Pkg. Type | VFQFPN |
| Prog. Clock | No |
| Reel Size (in) | 13 |
| Reference Output | No |
| Requires Terms and Conditions | Does not require acceptance of Terms and Conditions |
| Spread Spectrum | No |
| Tape & Reel | Yes |
| Thickness (mm) | 0.9 |
| Width (mm) | 5 |
| 已发布 | No |
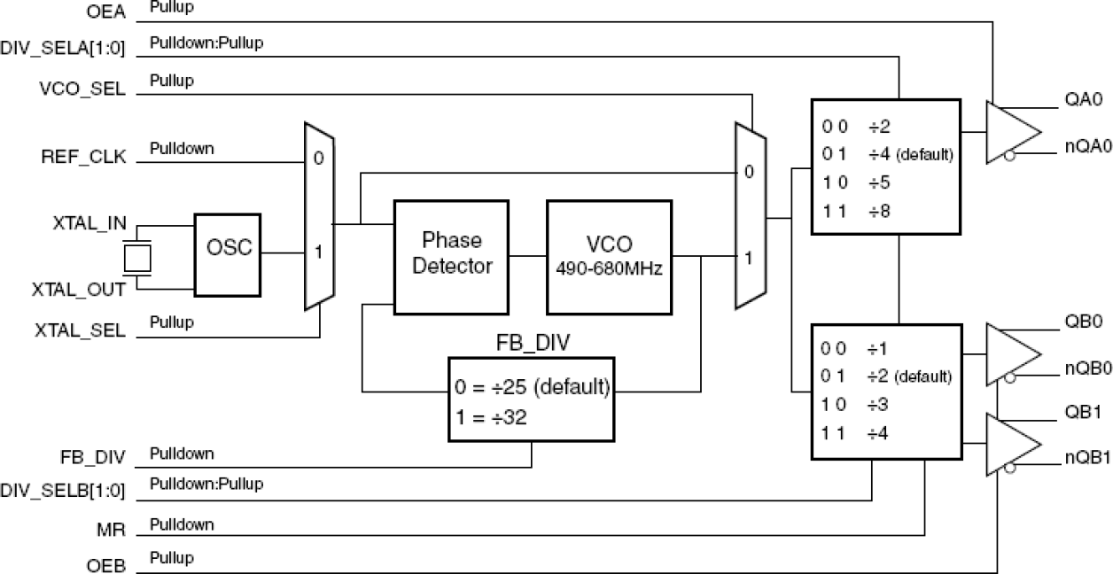
The 844003I-04 is a 3 differential output LVDS synthesizer designed to generate Ethernet reference clock frequencies. Using a 19.44MHz, 20MHz or 25MHz, 18pF parallel resonant crystal, the following frequencies can be generated based on the settings of four frequency select pins (DIV_SELA[1:0], DIV_SELB[1:0]): 625MHz, 622.08MHz, 312.5MHz, 250MHz, 156.25MHz, 125MHz and 100MHz. The 844003I-04 has two output banks, Bank A with one differential LVDS output pair and Bank B with two differential LVDS output pairs. The two banks have their own dedicated frequency select pins and can be independently set for the frequencies mentioned above. The 844003I-04 uses our third generation low phase noise VCO technology and can achieve 1ps or lower typical rms phase jitter, easily meeting Ethernet jitter requirements. The 844003I-04 is packaged in a 32-pin VFQFN package.